50A - REAR SWINGING ARM (MODEL R/S)

50A - REAR SWINGING ARM (MODEL R/S)
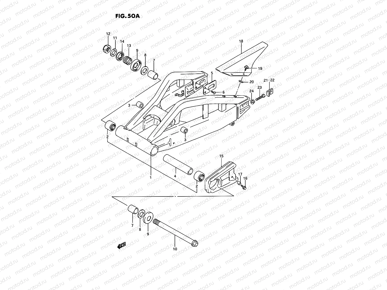
1
61000-17E11
Swinging arm assy, rear
Цена по
запросу
2
09263-30040
Подшипник (30x40x25)
2 180 ₽
3
09263-17058
Bearing
1 098 ₽
4
09180-25099-XC0
Spacer,25.4x31.
Цена по
запросу
5
61124-17E10
PLATE,RR SWING ARM BRKT
791 ₽
6
02142-0610B
Винт держатель
85 ₽
7
61251-17E20
SPACER, RR PIVOT BEARING
1 197 ₽
8
08211-25481
Шайба упорная
3 480 ₽
9
61262-17E11
Seal,dust
692 ₽
10
61211-17E10
Shaft, pivot
Цена по
запросу
11
09160-25070
Шайба
242 ₽
12
09159-25003
Гайка
2 665 ₽
13
61213-17E1V
Цена по
запросу
14
61214-17E1V
NUT,RR SWGARM PIVOT BOLT
3 069 ₽
15
61273-17E11
Guard chain sliding shoe
Цена по
запросу
16
09116-06152
BOLT(6X20)
146 ₽
17
09180-06283
Кольцо/шайба
162 ₽
18
61311-17E10
Case ,chain
Цена по
запросу
19
09136-06022
Болт
1 720 ₽
20
09160-06084
Шайба 6.5X18X1
81 ₽
21
61446-17E11
WASHER,CHAIN ADJUSTER,L
2 502 ₽
22
61446-27C21
WASHER,CHAIN ADJUSTER,L
2 502 ₽
23
09100-08287
BOLT(8X50)
162 ₽
24
08316-1008B
Гайка
81 ₽

Узлы для