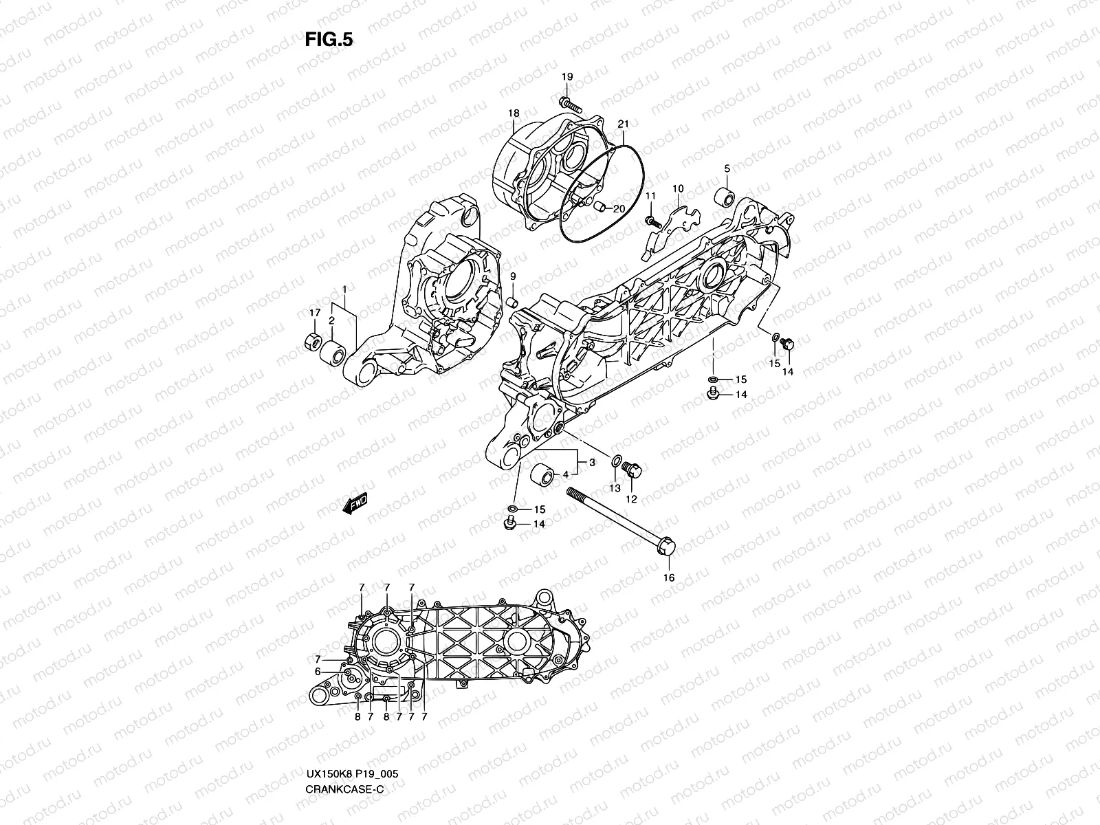
5 - CRANKCASE

5 - CRANKCASE
1
11310-20871
Crankcase set,r
Цена по
запросу
2
11315-33G10
Втулка
1 322 ₽
3
11320-21851
Crankcase set,l
Цена по
запросу
4
11315-33G10
Втулка
1 322 ₽
5
09319-10032
Втулка
580 ₽
6
01547-0660B
Болт
1 920 ₽
7
01547-0665A
БОЛТ
1 410 ₽
8
01547-0695B
БОЛТ
2 030 ₽
9
04211-09149
ШТИФТ
97 ₽
10
11323-20H00
Plate,gear box
Цена по
запросу
11
01547-0612A
БОЛТ
81 ₽
12
09247-12006
Заглушка масляной магистрали
1 640 ₽
13
09168-12002
Прокладка
81 ₽
14
01550-0812B
Болт
97 ₽
15
09168-08016
Прокладка
129 ₽
16
09103-12096
BOLT(12X230)
8 990 ₽
17
08316-1012A
Гайка
102 ₽
18
11431-20H00
COVER,GEAR BOX
14 154 ₽
19
01550-0840A
БОЛТ
119 ₽
20
04211-11169
PIN
113 ₽
21
09280-00029
O RING,D:2.4,ID:161
2 666 ₽

Узлы для