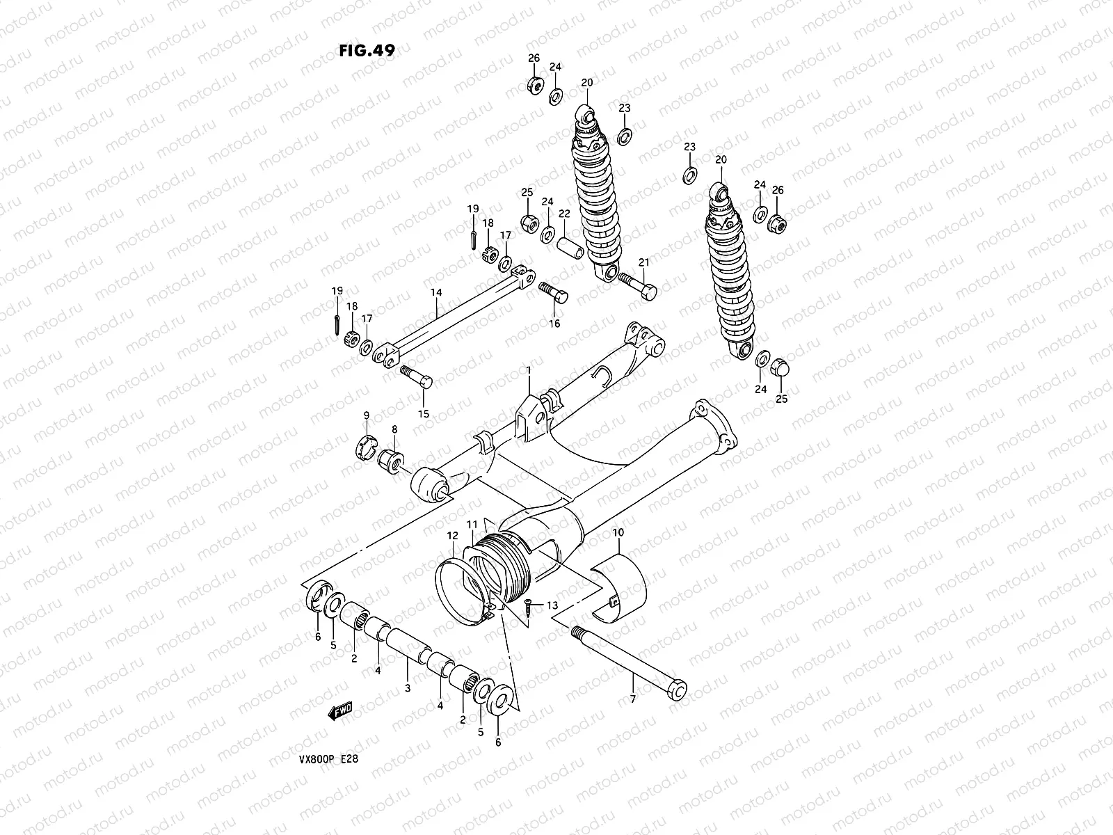
49 - REAR SWINGING ARM

49 - REAR SWINGING ARM
1
61100-45C04-20H
Swingingarm
Цена по
запросу
2
09263-25024
BEARING(25X33X30)
4 165 ₽
3
61282-45C01
Spacer, pivot center
Цена по
запросу
4
61251-17C00
SPACER,RR SWGARM PIVOT BERRING
5 049 ₽
5
08211-20381
Шайба упорная
179 ₽
6
61262-10D01
Couvrir
Цена по
запросу
7
61211-45C01
SHAFT,RR SWINGINGARM PIVOT
6 217 ₽
8
08319-3118A
Гайка
934 ₽
9
61222-48B00
CAP,RR SWINGING ARM PIVOT
379 ₽
10
61232-38A00-13L
COVER,SWGARM PIVOT,L
2 913 ₽
11
61372-38A00
BOOT,PROPELLER SHAFT
4 080 ₽
12
09402-92306-XC0
LAMP
258 ₽
13
03211-0425B
Болт
82 ₽
14
64310-45C00-019
Torquelink,rr
Цена по
запросу
15
09111-10016
Bolt ,l:41
Цена по
запросу
16
09101-10036
Болт
2 850 ₽
17
09160-10005
WASHER(10.5X20X3.2)
980 ₽
18
08314-4010B
ШАЙБА
114 ₽
19
04111-2020A
Штифт
81 ₽
20
62100-45C20
Absorber assy, rear shock
Цена по
запросу
21
09100-10247
BOLT(10X39)
2 310 ₽
22
09180-10139
SPACER(10.2X14X20.7)
3 010 ₽
23
08322-0114B
Шайба
1 370 ₽
24
09160-10093
Шайба
144 ₽
25
08313-10107
Гайка
1 520 ₽
26
08316-1010B
Гайка
85 ₽

Узлы для