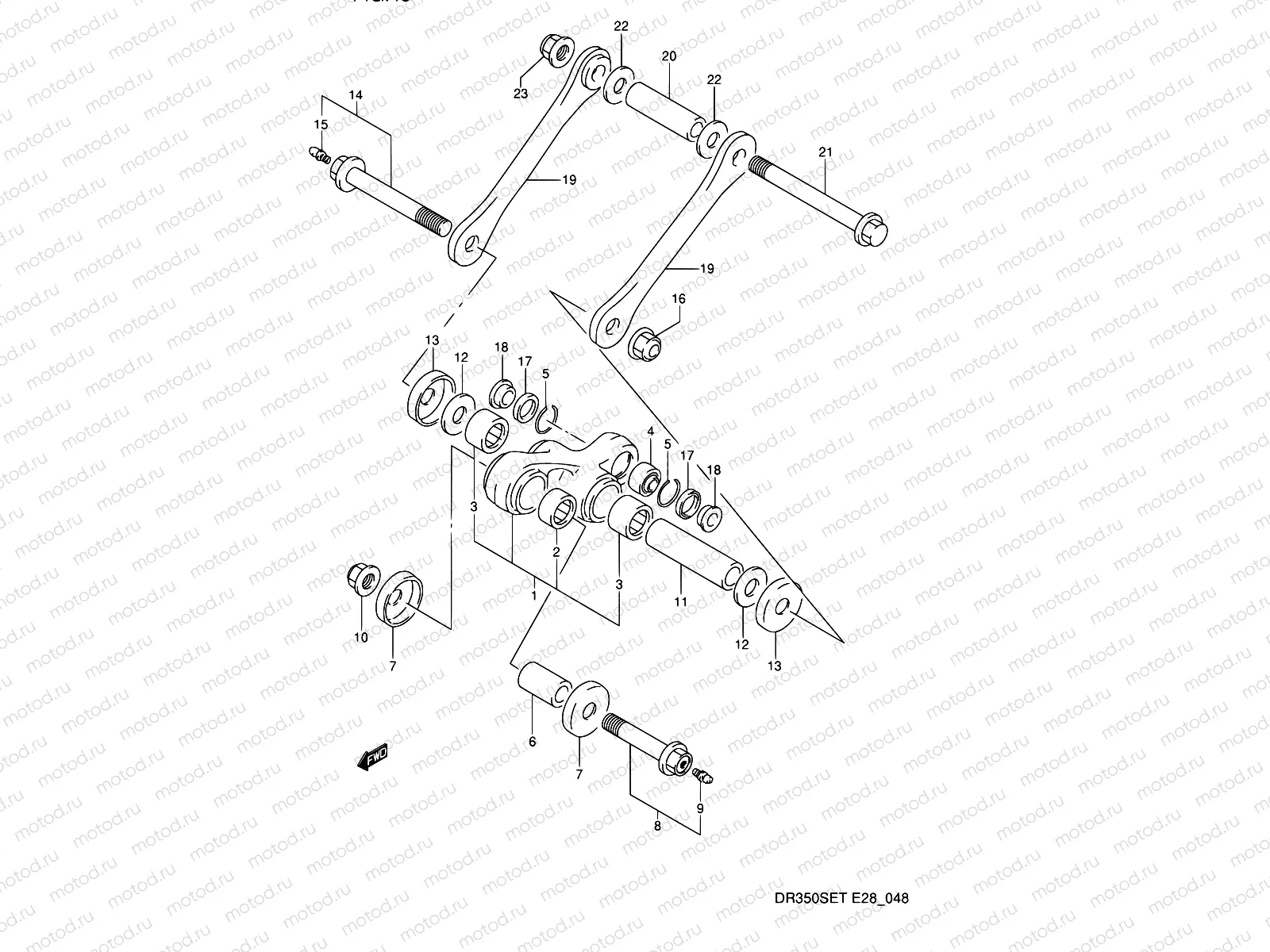
48 - REAR CUSHION LEVER

48 - REAR CUSHION LEVER
1
62602-14850
Lever set, rr c
Цена по
запросу
2
09263-20116
Bearing
1 583 ₽
3
09263-20071
BEARING(20X27X23.5)
1 309 ₽
4
62175-00B00
EARING,RR CUSHION LEVER
5 525 ₽
5
62657-34A01
Кольцо
170 ₽
6
62317-05D00
Втулка
1 207 ₽
7
62162-28E01
Seal,dust
595 ₽
8
62650-14D00
BOLT,RR CUSHION LEVER FR
2 720 ₽
9
08351-2100A
Ниппель
255 ₽
10
08319-3112A
Гайка
211 ₽
11
62626-14D00
SPACER,RR CUSHION LEVER CTR
1 642 ₽
12
08211-14321
Шайба упорная
162 ₽
13
62683-27C00
Dust seal,rr cu
Цена по
запросу
14
62620-14D00
Болт тяги
2 190 ₽
15
08351-2100A
Ниппель
255 ₽
16
08319-3114A
Гайка
646 ₽
17
09285-17007
Seal,oil
179 ₽
18
62684-27C10
Rod piston
Цена по
запросу
19
62640-14D00
ROD,RR CUSHION
5 357 ₽
20
62646-14D00
Spacer,rr cushi
Цена по
запросу
21
62621-17C00
SHAFT,RR CUSHION LEVER FR
1 150 ₽
22
08211-14323
Шайба упорная
179 ₽
23
08319-3114A
Гайка
646 ₽

Узлы для