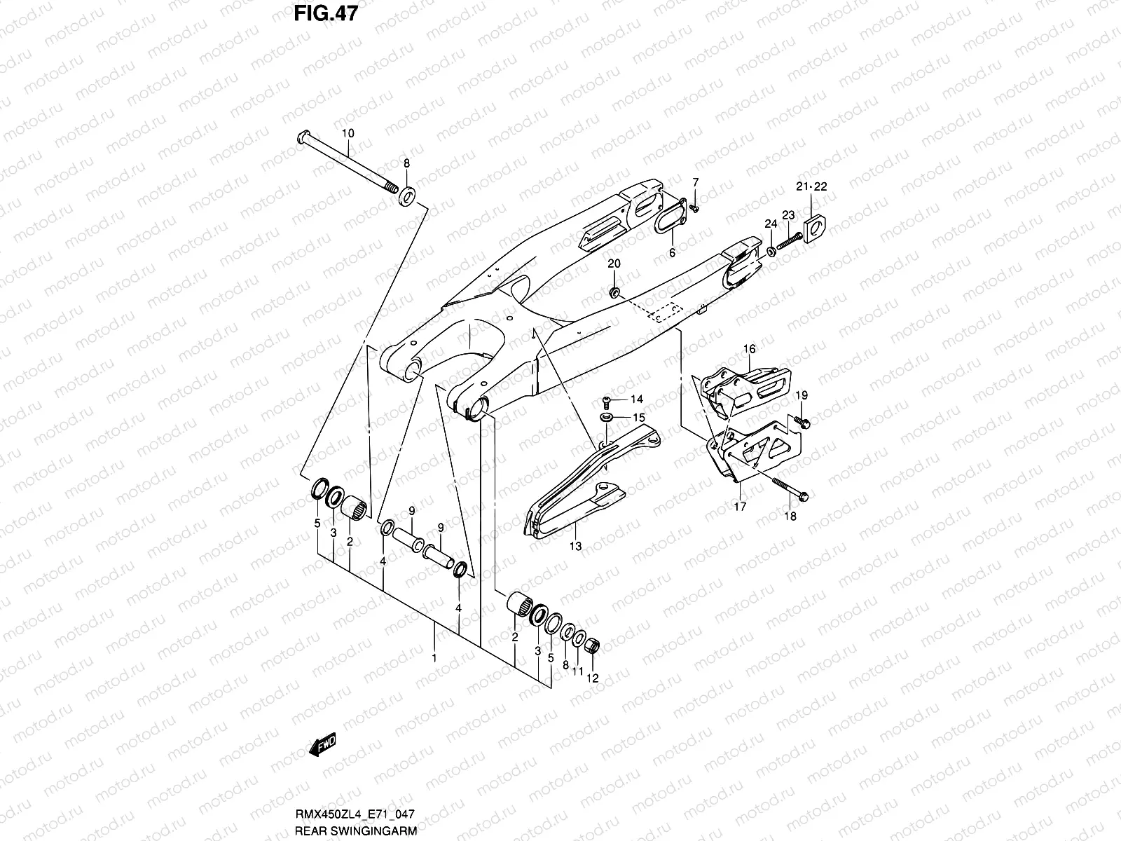
47 - REAR SWINGINGARM

47 - REAR SWINGINGARM
1
61000-02J10
SWINGING ARM ASSY. REAR
Цена по
запросу
2
09263-22017
BEARING(22X29X30)
1 308 ₽
3
09263-22064
ПОДШИПНИК ВЫЖИМНОЙ
1 324 ₽
4
09285-22006
Seal,oil
226 ₽
5
61262-36E00
SEAL,RR SWGARM PIVOT OUTER
388 ₽
6
61128-28H30
PLATE, SWGARM REAR
1 173 ₽
7
09120-05003
SCREW(5X10)
97 ₽
8
61251-36E01
SPACER,RR SWGARM PIVOT OUTER
748 ₽
9
61252-37F01
SPACER,SWGARM PIVOT INNER
1 530 ₽
10
61211-28H00
SHAFT,RR SWINGINGARM PIVOT
4 927 ₽
11
08322-0116B
Шайба
82 ₽
12
09159-16007
ШАЙБА
7 740 ₽
13
61273-37F10
BUFFER,CHAIN TOUCH DEFENSE
4 301 ₽
14
02112-0508A
Винт №1
85 ₽
15
09169-05022
Шайба
2 150 ₽
16
61341-35G10
Направляющая chain
5 185 ₽
17
61342-37F00
PLATE,CHAIN GUIDE
3 145 ₽
18
09103-06242
BOLT(6X45)
2 190 ₽
19
09103-06233
БОЛТ
1 250 ₽
20
08316-1006B
Гайка
81 ₽
21
61445-28H11
WASHER,CHAIN ADJUSTER,R
5 593 ₽
22
61446-35G01
WASHER,CHAIN ADJUSTER,L
1 190 ₽
23
09100-08287
BOLT(8X50)
162 ₽
24
09159-08034
Гайка
162 ₽

Узлы для