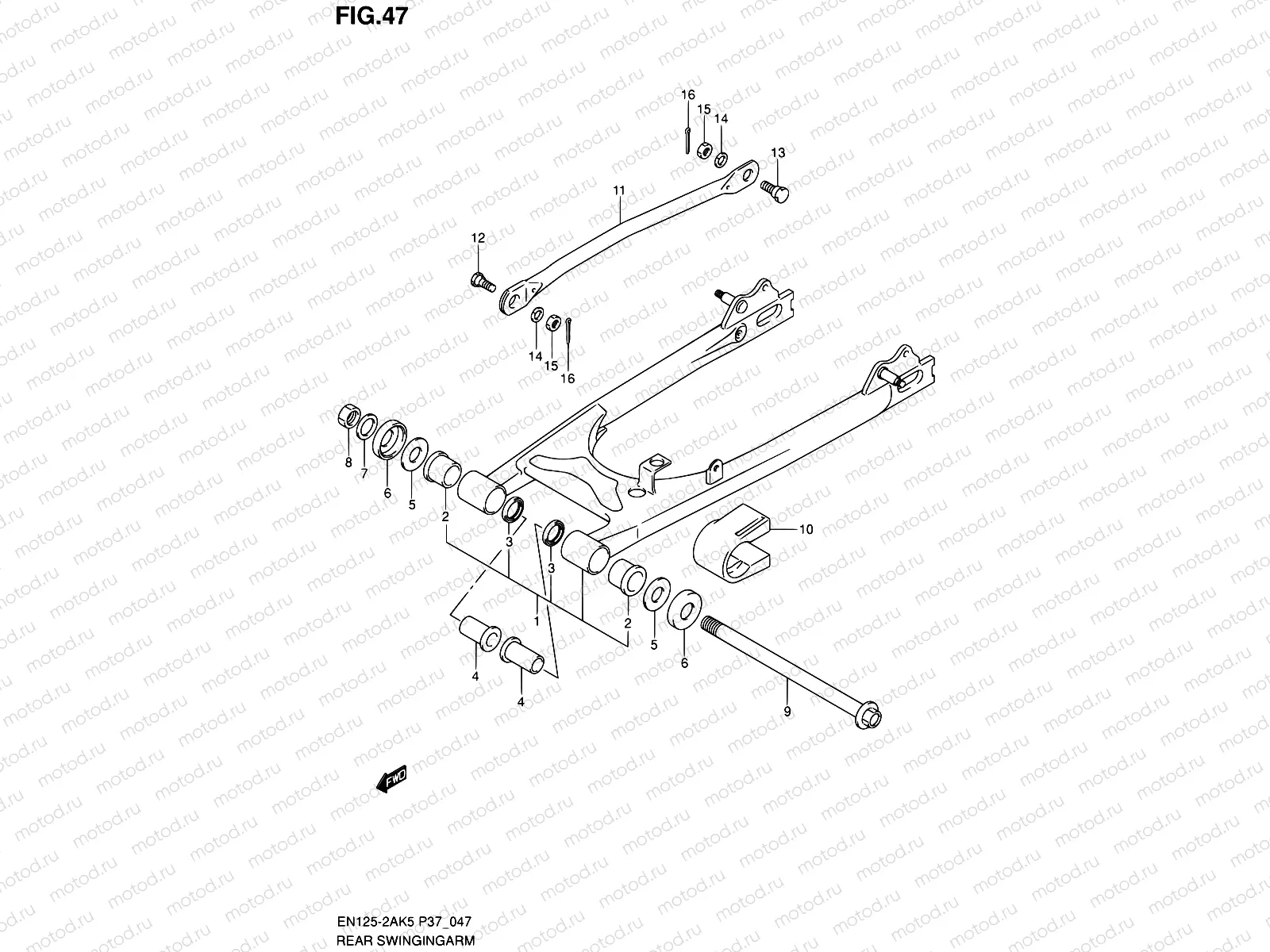
47 - REAR SWINGING ARM (MODEL K5/K6)

47 - REAR SWINGING ARM (MODEL K5/K6)
1
61000-45F32-YGA
SWINGINGARM ASSY,RR
10 635 ₽/шт
2
61261-45F11-000
.bush
3
09286-20001
SEAL,OIL(20X27X5)
179 ₽/шт
4
61251-05300
SPACER,RR SWGARM PIVOT
1 208 ₽/шт
5
08211-14341
Шайба
1 720 ₽/шт
6
61262-45002
CVR,RR SWGARM DUST SEAL(OD:40)
544 ₽/шт
7
08322-0114A-000
Шайба
85 ₽/шт
8
08319-2114A
Гайка
2 390 ₽/шт
9
61211-05302
SHAFT,RR SWINGINGARM PIVOT
1 462 ₽/шт
10
61273-05310
Guard chain sliding shoe
11
64310-45FA0-000
Torque link, rear (black)
12
09111-08012
BOLT(8X22.5)
1 880 ₽/шт
13
09111-08013
BOLT(8X26.5)
178 ₽/шт
14
09162-08008
Шайба, стопорная
85 ₽/шт
15
09140-08008
ШАЙБА
97 ₽/шт
16
04111-2020A
Штифт
81 ₽/шт

Узлы для