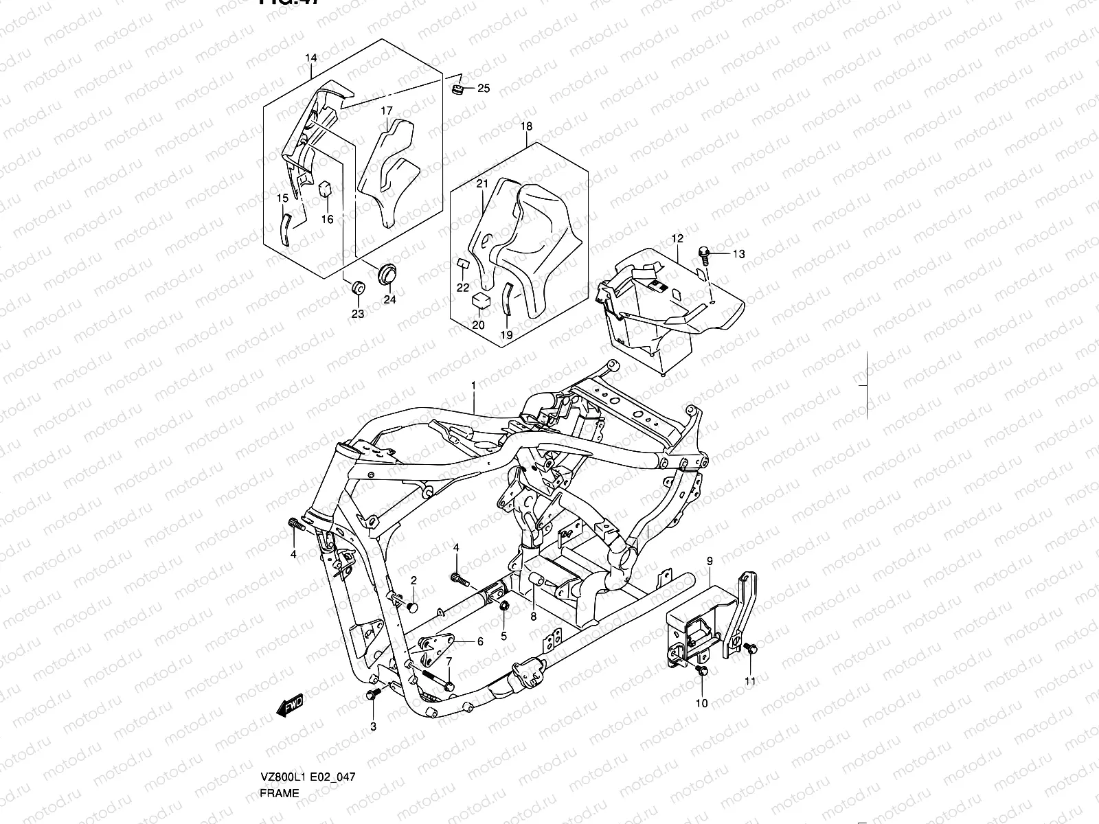
РАМА для VZ800 L1 Intruder M800 / Boulevard M50 (E02) SUZUKI

47 - FRAME
1
41100-41F70-019
rame(black)
Цена по
запросу
2
56524-23K10
Cap gsx-r 125/
Цена по
запросу
3
01550-0816B
Болт крепёжный
97 ₽
4
07130-1035B
Болт
179 ₽
5
08319-3110B
Гайка
1 920 ₽
6
41920-41F00
PLATE,ENGINE MOUNT NO.1,L
1 380 ₽
7
09112-08013
BOLT(8X65)
2 580 ₽
8
41941-41F00
SPACER,ENG MTG LR
676 ₽
9
41540-41F30
HOLDER,ELECTRIC PARTS
5 279 ₽
10
01547-0612A
БОЛТ
81 ₽
11
01550-0816A
Болт крепёжный
97 ₽
12
47410-41F02
HOLDER,ELECTRIC PARTS
4 653 ₽
13
09113-06001
БОЛТ
129 ₽
14
47350-39G00-019
COVER,FRAME HEAD,R(BLACK)
5 787 ₽
15
53145-40A00
CUSHION,FR FENDER
170 ₽
16
17798-39G00
ДЕТАЛЬ
204 ₽
17
47352-39G00
CUSHION,FRAME HEAD COVER,R
1 568 ₽
18
47360-41F02-019
COVER,FRAME HEAD,L(BLACK)
4 590 ₽
19
53145-40A00
CUSHION,FR FENDER
170 ₽
20
53146-05G00
CUSHION,FR FENDER SIDE
375 ₽
21
47362-39G00
CUSHION,FRAME HEAD COVER,L
1 329 ₽
22
94422-06G00
CUSHION
170 ₽
23
09320-08527
Cushion
1 640 ₽
24
578 ₽
25
09320-09501
ДЭМПФЕР
1 250 ₽

Узлы для