ПЕРЕДНИЙ АМОРТИЗАТОР для GS500 K3 (P19,P24,P54) SUZUKI (VIN: VTTBK111, VTTBK211)

46 - FRONT DAMPER (MODEL K3)
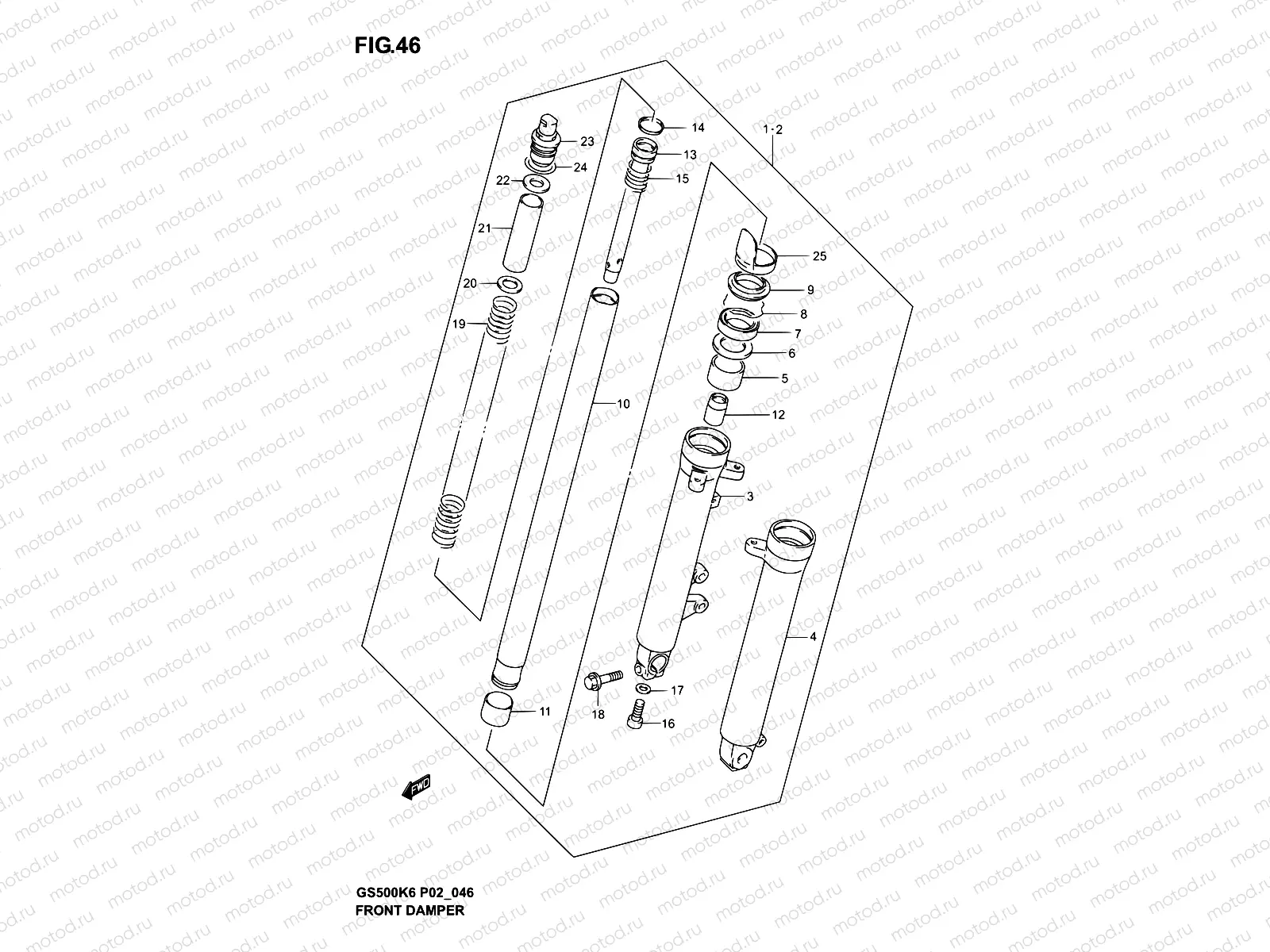
1
51103-01DB0
amper assy,fro
Цена по
запросу
2
51104-01DB0
amper assy,fro
Цена по
запросу
3
51130-01DA0
TUBE,OUTER,R
31 085 ₽
4
51140-01DA0
TUBE,OUTER,L
31 085 ₽
5
51167-01D00
Металическая вставка
598 ₽
6
51158-49500
Шайба
258 ₽
7
51153-26F00
Сальник
1 114 ₽
8
51156-40301
Кольцо
275 ₽
9
51173-26F00
Уплотнение
1 470 ₽
10
51110-01D60
TUBE,INNER
27 175 ₽
11
51121-01D00
PISTON
697 ₽
12
51195-01D00
PIECE,OIL LOCK
1 130 ₽
13
51146-01D00
Цилиндр
7 077 ₽
14
51196-13A10
Кольцо поршневое
465 ₽
15
51177-01D00
Пружина
555 ₽
16
51147-16510
BOLT,FORK CYLINDER(10X25)
238 ₽
17
51148-41310
GASKET
170 ₽
18
01550-08407
Болт 8 X 40
2 070 ₽
19
51171-01D60
SPRING,MAIN
4 497 ₽
20
51172-01D00
Шайба
325 ₽
21
51176-01DB0
Кольцо/шайба
719 ₽
22
51192-01D60
Шайба, верхняя
340 ₽
23
51351-24D00
BOLT,FORK
3 402 ₽
24
51117-38260
O RING
188 ₽
25
51201-01DA0
PROTECTOR,FR FORK
1 431 ₽

Узлы для