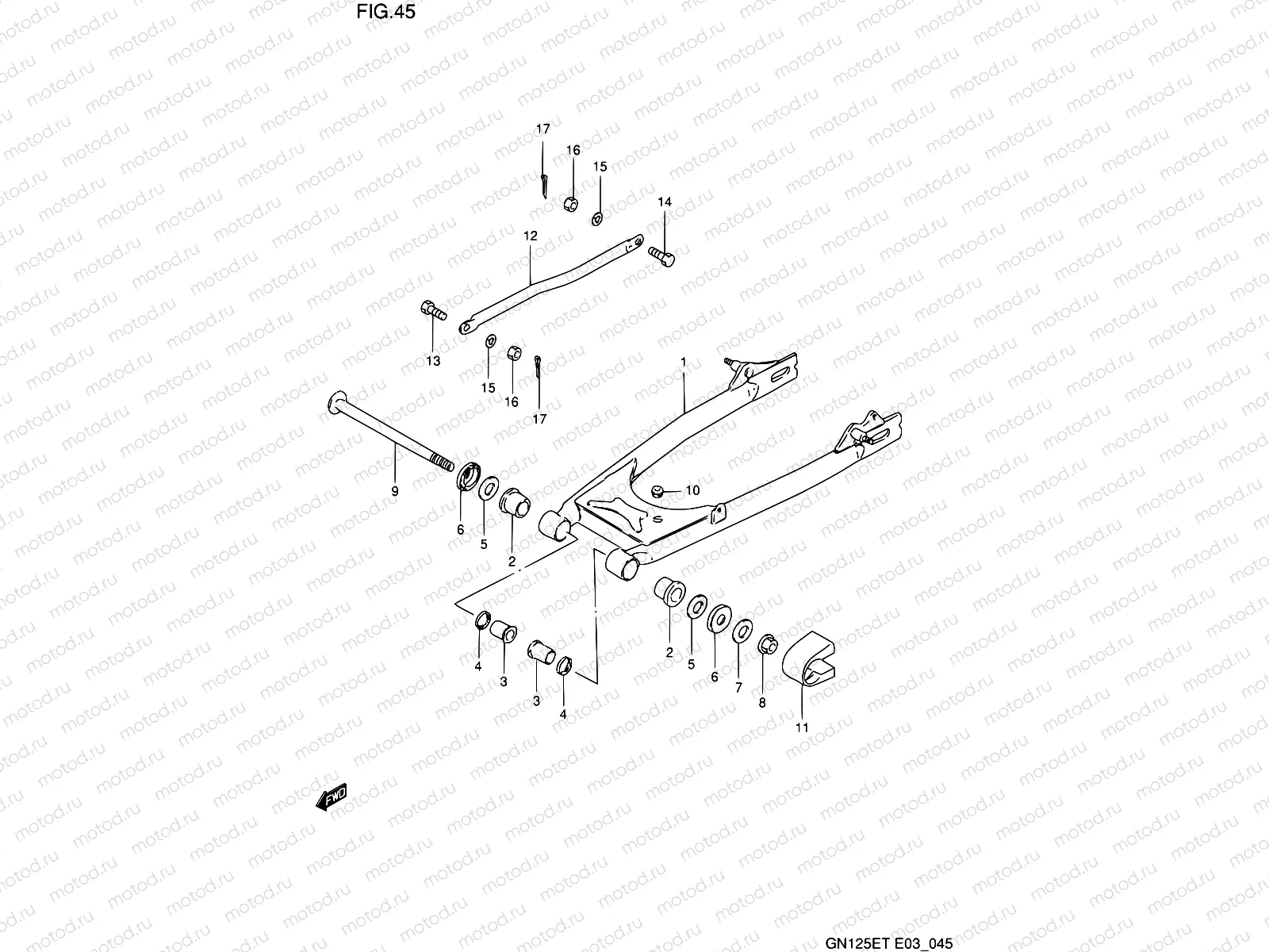
45 - REAR SWINGING ARM

45 - REAR SWINGING ARM
1
61000-05300-019
Arm,rr swinging
Цена по
запросу
2
61261-05301
Втулка
1 139 ₽
3
61251-05300
SPACER,RR SWGARM PIVOT
1 208 ₽
4
09286-20001
SEAL,OIL(20X27X5)
179 ₽
5
08211-14341
Шайба
1 720 ₽
6
61262-45002
CVR,RR SWGARM DUST SEAL(OD:40)
544 ₽
7
08322-0114B
Шайба
1 370 ₽
8
08319-2114A
Гайка
2 390 ₽
9
61211-05302
SHAFT,RR SWINGINGARM PIVOT
1 462 ₽
10
09320-08020
САЙЛЕНТБЛОК
1 840 ₽
11
61273-05310
Guard chain sliding shoe
Цена по
запросу
12
64310-05300-019
LINK,RR TORQUE
1 267 ₽
13
09111-08012
BOLT(8X22.5)
1 880 ₽
14
09111-08013
BOLT(8X26.5)
178 ₽
15
09162-08008
Шайба, стопорная
85 ₽
16
09140-08008
ШАЙБА
97 ₽
17
04111-2020A
Штифт
81 ₽

Узлы для