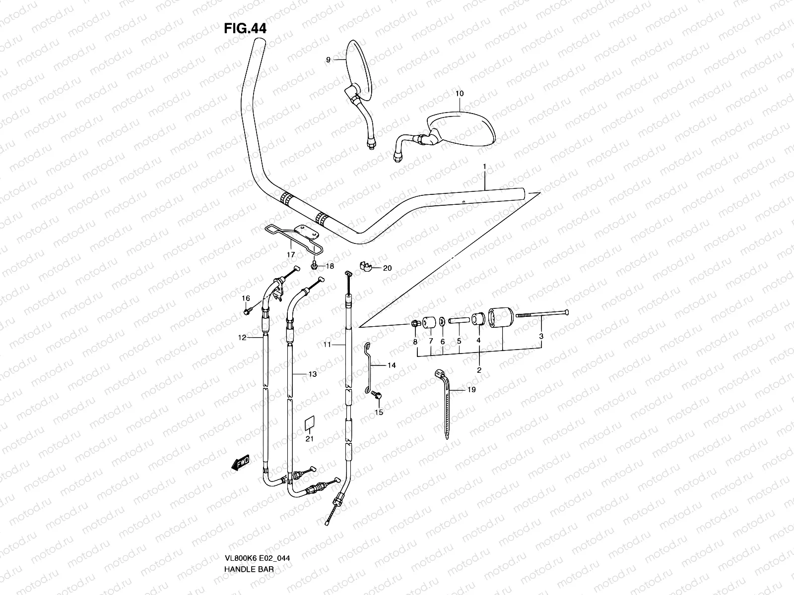
44 - HANDLEBAR

44 - HANDLEBAR
1
56111-41F30
HANDLEBAR
17 087 ₽
2
56200-10892
BALANCER SET,HANDLEBAR
3 315 ₽
3
09127-06017
Болт
187 ₽
4
56272-26D01
EXPANDER,HANDLE BALANCER NO.2
436 ₽
5
56276-17D00
Кольцо/шайба
194 ₽
6
09160-06131
Шайба
81 ₽
7
56272-10G10
EXPANDER,HANDLE BALANCER
210 ₽
8
56273-10G10
Гайка
436 ₽
9
56500-39H00
MIRROR ASSY,RR VIEW,R
10 343 ₽
9
56500-41F01
MIRROR ASSY,RR VIEW,R
10 200 ₽
10
56600-39H00
MIRROR ASSY,RR VIEW,L
10 343 ₽
10
56600-41F01
MIRROR ASSY,RR VIEW,L
9 690 ₽
11
58200-41F30
CABLE ASSY,CLUTCH
4 250 ₽
12
58300-43H01
Cable Assy,throttle No.1
2 678 ₽
13
58300-43H11
Cable Assy,throttle No.2
2 307 ₽
14
58626-41F01
Переходник
426 ₽
15
09139-05033
Болт
113 ₽
16
01550-0616A
БОЛТ
81 ₽
17
58620-41F00
Направляющая кабеля
1 193 ₽
18
01550-0612A
БОЛТ КУЗОВНОЙ, МЕТАЛЛ
81 ₽
19
09407-22403
CLAMP(L:220)
1 370 ₽
19
09407-25401
Хомут
221 ₽
19
09407-30401
CLAMP(L:300)
2 740 ₽
20
09408-00244
CLIP
162 ₽
21
87873-56K50
PROTECTOR
493 ₽

Узлы для