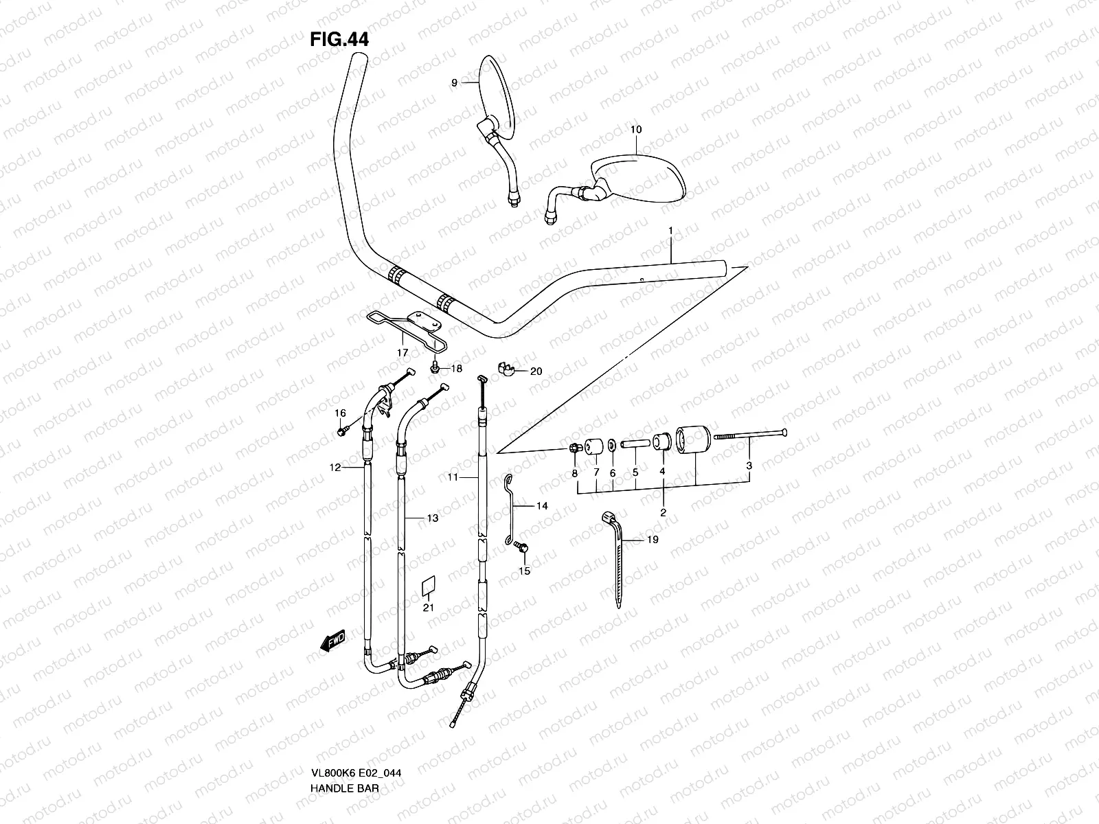
44 - HANDLEBAR

44 - HANDLEBAR
1
56111-41F00
HANDLEBAR
18 651 ₽
2
56200-10892
BALANCER SET,HANDLEBAR
3 315 ₽
3
09127-06017
Болт
187 ₽
4
56272-26D01
EXPANDER,HANDLE BALANCER NO.2
436 ₽
5
56276-17D00
Кольцо/шайба
194 ₽
6
09160-06131
Шайба
81 ₽
7
56272-10G10
EXPANDER,HANDLE BALANCER
210 ₽
8
56273-10G10
Гайка
436 ₽
9
56500-41F13
MIRROR ASSY,RR VIEW,R
10 200 ₽
9
56500-41F01
MIRROR ASSY,RR VIEW,R
10 200 ₽
10
56600-41F13
MIRROR ASSY,RR VIEW,L
11 220 ₽
10
56600-41F01
MIRROR ASSY,RR VIEW,L
9 690 ₽
11
58200-41F20
Тросик сцепления
8 925 ₽
12
58300-41FA0
Кабель дросселя №1
8 415 ₽
13
58300-41FB0
Кабель дросселя №2
5 865 ₽
14
58626-41F01
Переходник
426 ₽
15
09139-05033
Болт
113 ₽
16
01550-0616A
БОЛТ
81 ₽
17
58620-41F00
Направляющая кабеля
1 193 ₽
18
01550-0612A
БОЛТ КУЗОВНОЙ, МЕТАЛЛ
81 ₽
19
09407-22403
CLAMP(L:220)
1 370 ₽
19
09407-25401
Хомут
221 ₽
19
09407-30401
CLAMP(L:300)
2 740 ₽
20
09408-00033
CLAMP
170 ₽

Узлы для