43 - FRONT MASTER CYLINDER

43 - FRONT MASTER CYLINDER
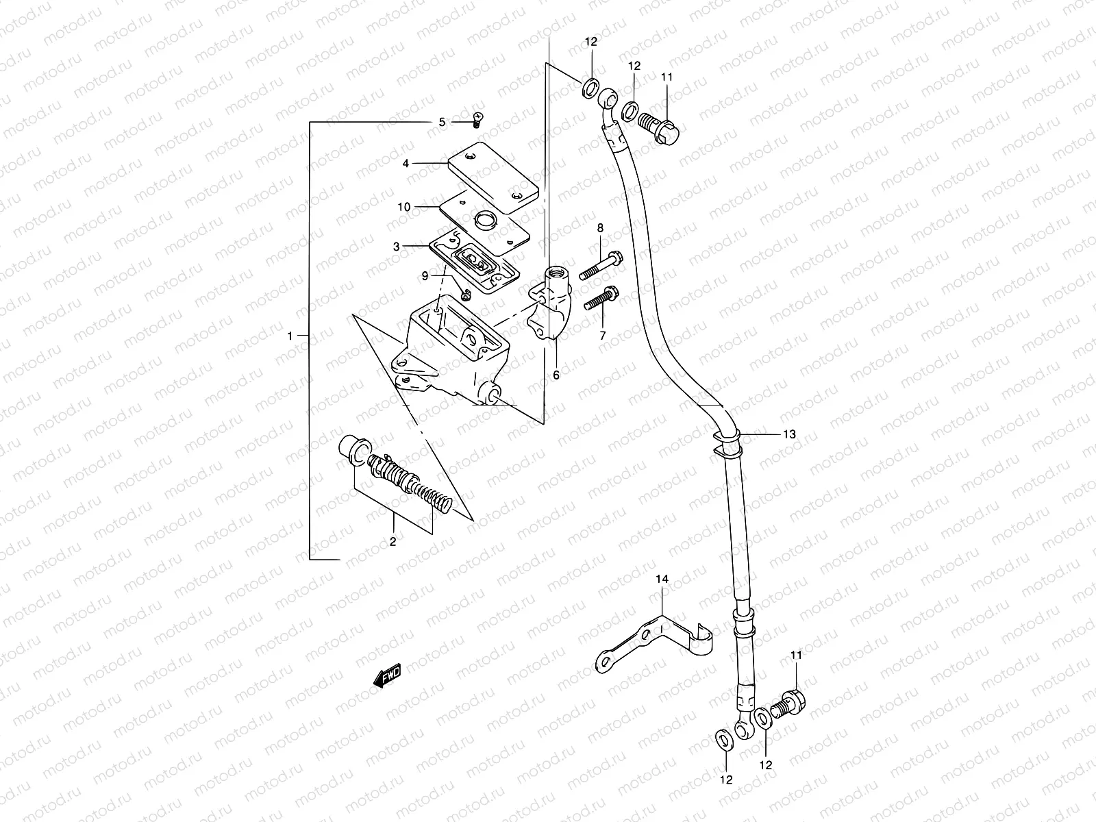
1
59600-45C10
YLINDER ASSY,FR MASTER
34 680 ₽
2
59600-04810
PISTON/CUP SET
3 472 ₽
3
59667-49460
ДИАФРАГМА ЦИЛИНДРА ТОРМОЗНОГО
1 870 ₽
4
59669-41C00
AP
2 618 ₽
5
69689-49300
Винт
162 ₽
6
59671-44300
HOLDER
989 ₽
7
59675-19C00
BOLT(6X25)
207 ₽
8
59675-19C10
BOLT(6X38)
270 ₽
9
59664-48B00
PROTECTOR
571 ₽
10
59668-41C00
КРЫШКА БАЧКА ТОРМОЗНОЙ ЖИДКОСТИ
561 ₽
11
09360-10061
Болт соединяющий
3 910 ₽
12
09161-10009
Шайба
113 ₽
13
59480-25F00
Hose, front brake
Цена по
запросу
14
59268-11300
CLAMP,BRAKE HOSE
465 ₽

Узлы для