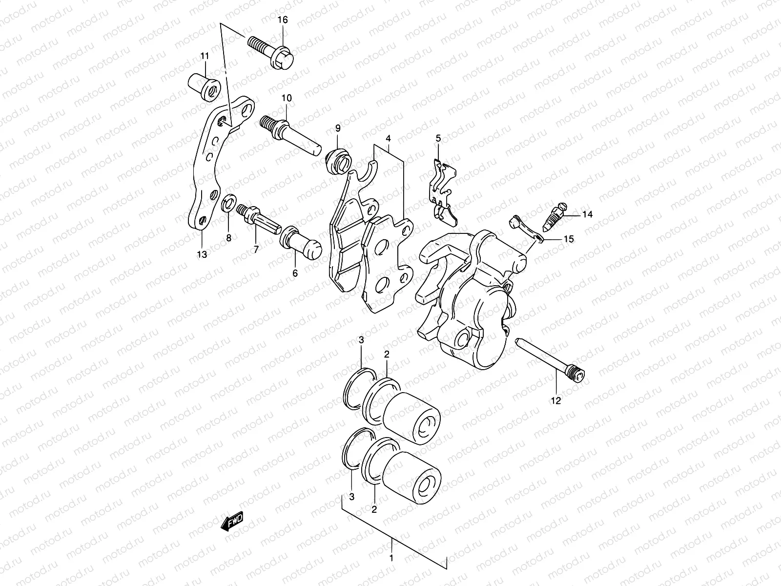
41A - FRONT CALIPER (MODEL N/P/R/S/T)

41A - FRONT CALIPER (MODEL N/P/R/S/T)
0
59300-27870
Plaquette de frein
Цена по
запросу
1
59300-27840
PISTON SET
7 948 ₽
2
69100-36810
SEAL SET,PISTON
1 255 ₽
3
69100-36810
SEAL SET,PISTON
1 255 ₽
4
59300-27850
Plaquette de frein
Цена по
запросу
5
59315-27C30
Пружина втулки
1 156 ₽
6
59386-13A00
Пыльник
388 ₽
7
59382-13A00
BOLT,PIN
485 ₽
8
59314-13A00
Шайба
106 ₽
9
59303-14500
Пыльник
307 ₽
10
59387-00B20
Штырь штифт
1 150 ₽
11
59388-00B20
Гайка
954 ₽
12
59345-00B20
Стопор
899 ₽
13
59351-00B20
RACKET
5 865 ₽
14
59121-01A00
BLEEDER
1 226 ₽
15
59122-01A00
CAP,BLEEDER
187 ₽
16
09103-08226
Болт
2 700 ₽

Узлы для