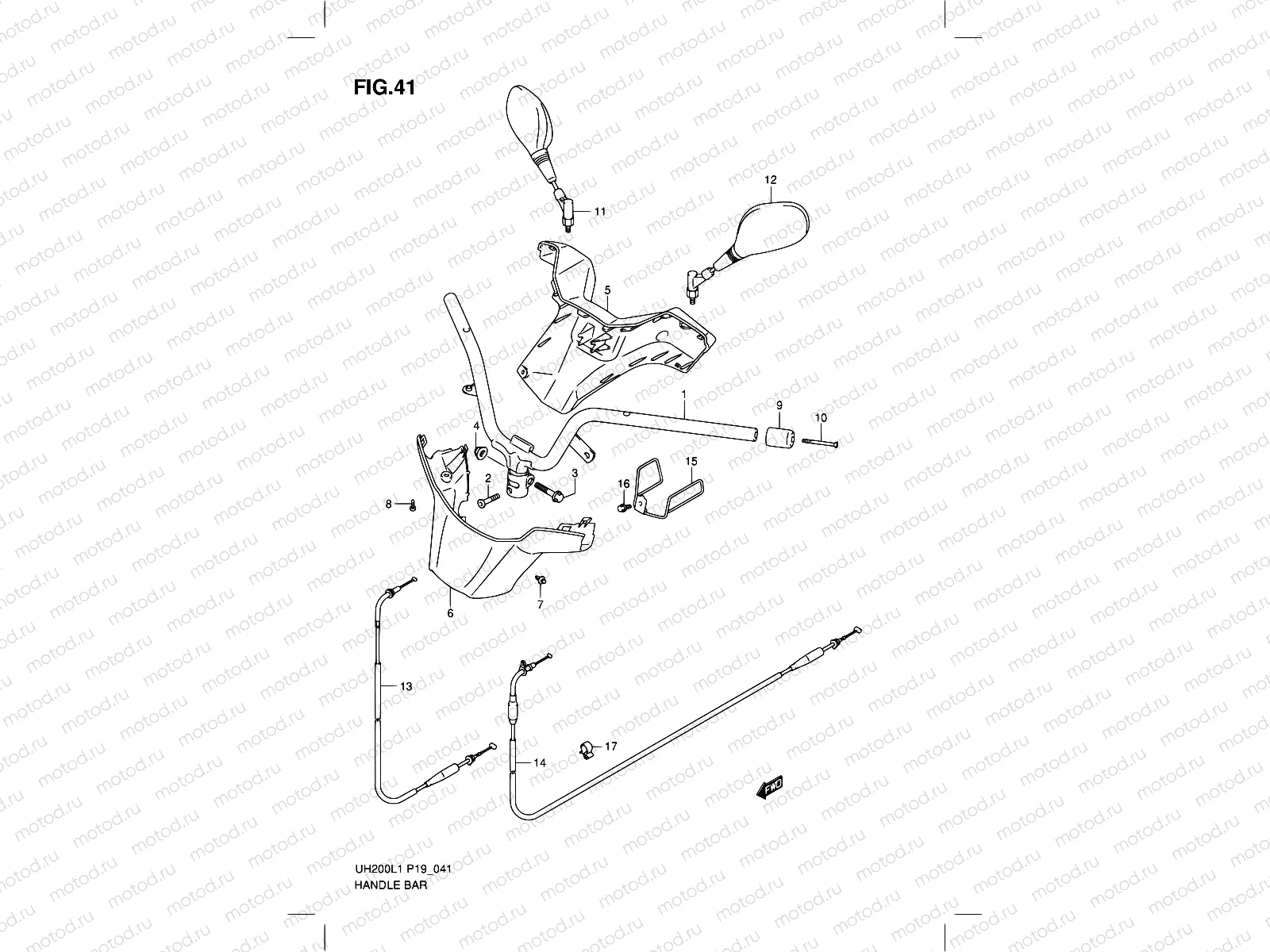
РУЛЬ для UH200 L1 Burgman (P02) SUZUKI

41 - HANDLEBAR
1
56110-03H00-ENM
andlebar
Цена по
запросу
2
Цена по
запросу
3
Цена по
запросу
4
08319-3110B
Гайка
1 920 ₽
5
56311-03H00-Y0J
Cover,handle up
Цена по
запросу
6
56321-03H00-Y0J
Cover,handle lo
Цена по
запросу
7
09409-06314-5PK
КЛИПСА КРЕПЁЖНАЯ, ПЛАСТИК
162 ₽
8
Цена по
запросу
9
56200-01841
BALANCER SET,HANDLEBAR
5 474 ₽
10
Цена по
запросу
11
56500-49F10
Mirror uh125
Цена по
запросу
12
56600-49F10
Mirror uh125
Цена по
запросу
13
58300-03H00
Кабель дросселя №1
6 178 ₽
14
58300-03H10
Кабель дросселя №2
5 357 ₽
15
58620-03H00
Направляющая кабеля
911 ₽
16
D1557-0616B
Болт
62 ₽
17
09407-07E10
Collier
Цена по
запросу

Узлы для