41 - FOOTREST (WITHOUT VLR1800TK9/TL0 E24)

41 - FOOTREST (WITHOUT VLR1800TK9/TL0 E24)
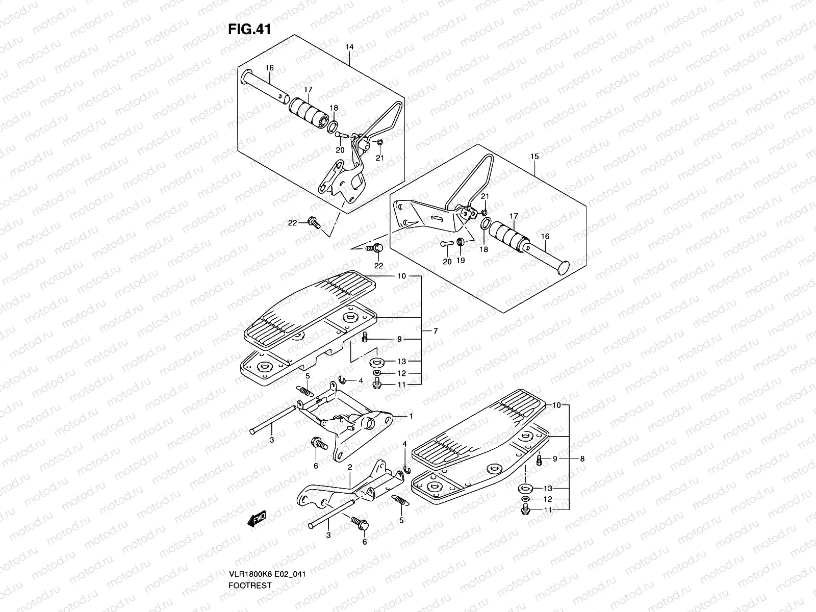
1
43510-22H01
BRACKET,FR FOOTREST,R
17 126 ₽
2
43520-22H00
BRACKET,FR FOOTREST,L
11 144 ₽
3
43539-10F00
PIN,FR FOOTREST
493 ₽
4
08332-1106B
СТОПОРНОЕ КОЛЬЦО
102 ₽
5
09443-11033
Пружина
2 740 ₽
6
01550-1230B
Болт
2 310 ₽
7
43501-10F12
ootrest Assy,front,r
15 484 ₽
8
43502-10F12
Repose pieds (FRONT LH)
Цена по
запросу
9
43576-07D01
БОЛТ
1 066 ₽
10
43550-10F10
Резина
4 653 ₽
11
01550-0610B
Болт
85 ₽
12
09160-06158
Шайба
1 090 ₽
13
09320-10077
Cushion
1 720 ₽
14
43600-22H00
FOOTREST ASSY,PILLION,R
15 679 ₽
15
43700-22H00
FOOTREST ASSY,PILLION,L
15 679 ₽
15
43700-22H20
FOOTREST ASSY,PILLION,L
15 679 ₽
16
43610-39G00
BAR,PILLION FOOTREST
1 236 ₽
17
43612-39G00
УПОР ДЛЯ НОГ
765 ₽
18
09160-19024
Шайба
129 ₽
19
43829-22H00
WASHER,PILLION FOOTREST,L
1 935 ₽
20
09208-06007
PIN
2 110 ₽
21
08332-1104B
СТОПОРНОЕ КОЛЬЦО
282 ₽
22
01550-1030B
БОЛТ
2 310 ₽

Узлы для