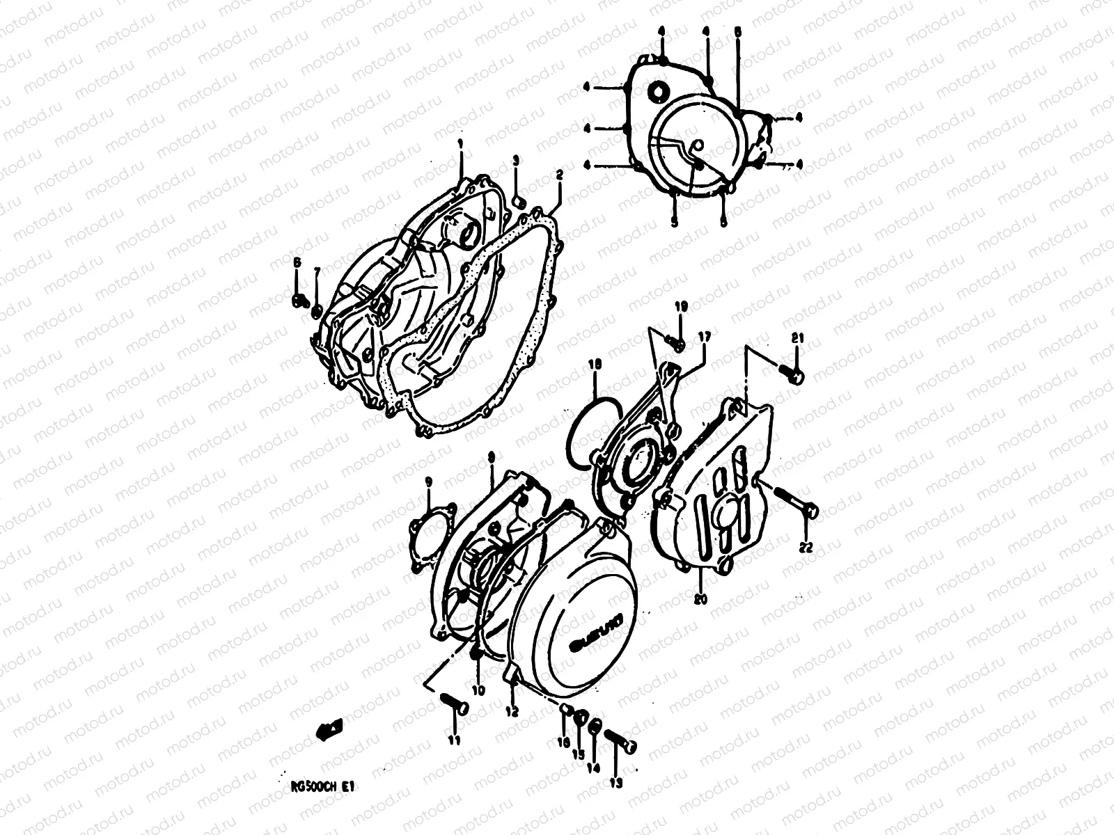
КРЫШКА КАРТЕРА для RG500 G Gamma SUZUKI

4 - CRANKCASE COVER
1
11341-20A03
Cover,clutch
Цена по
запросу
2
11482-20A01-H17
Gasket - clutch cover
Цена по
запросу
3
04211-09129
Стопор
102 ₽
4
01547-0625B
БОЛТ
97 ₽
5
01547-0635B
Болт
97 ₽
6
09128-06058
SCREW(6X10)
136 ₽
7
09168-06004
Кольцо прокладочное
113 ₽
8
11351-20A03
Cover,magneto
Цена по
запросу
9
11483-20A00-H17
Gasket,mag.cov
Цена по
запросу
10
11389-20A00
Cushion
Цена по
запросу
11
02112-0625A
Болт
85 ₽
12
11352-20A02
Cover,magneto outer
Цена по
запросу
13
02112-0630A
Болт
85 ₽
14
09160-06128
Шайба
1 170 ₽
15
09161-09006
WASHER(8.7X15X2.1)
1 370 ₽
16
09180-06155-XC0
Spacer,6.1x9x19
Цена по
запросу
17
11361-20A02
Cover,sprocket inner
Цена по
запросу
18
09280-76007
O-Ring
Цена по
запросу
19
02122-0620B
Винт
1 090 ₽
20
11362-20A01
Cover,sprocket outer
Цена по
запросу
21
01547-0620B
БОЛТ
81 ₽
22
Цена по
запросу

Узлы для