4 - CRANKCASE

4 - CRANKCASE
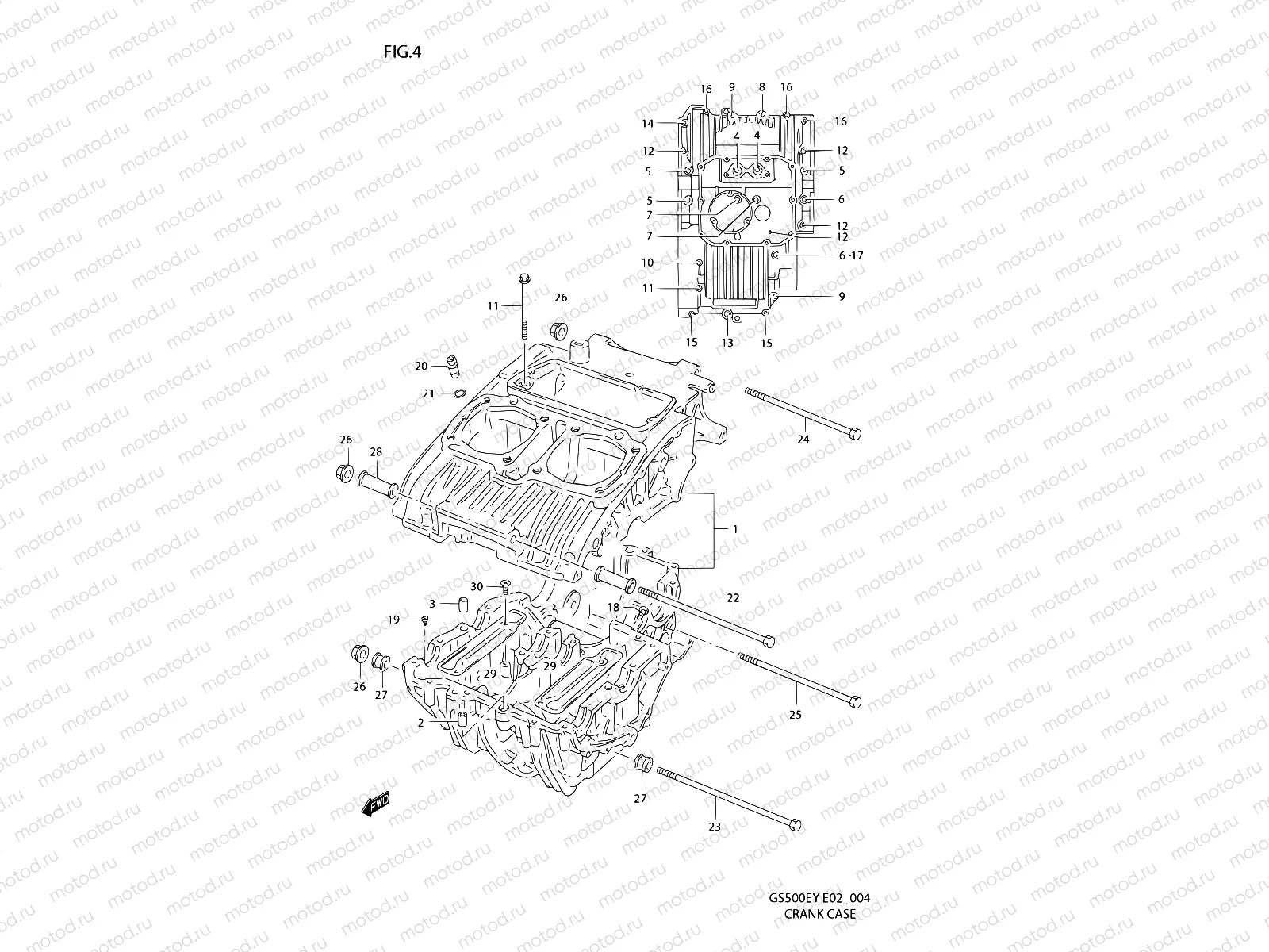
1
11301-44891
Картер
130 484 ₽
2
09206-13004
ВТУЛКА
1 370 ₽
3
09206-11017
PIN(8.4X11X20)
4 380 ₽
4
07130-0870B
Болт
2 620 ₽
5
09103-08182
BOLT(8X125)
2 740 ₽
6
09103-08134
BOLT(8X110)
194 ₽
7
09103-08230
BOLT(8X100)
187 ₽
8
01550-0865B
Болт
2 310 ₽
9
01550-0845B
Болт
113 ₽
10
09103-06033
BOLT(6X125)
2 310 ₽
11
09103-06067
BOLT(6X105)
1 520 ₽
12
01550-06903
Vis
Цена по
запросу
13
01550-0670B
Болт
2 030 ₽
14
01550-0665A
Болт
1 840 ₽
15
01550-06507
Болт
97 ₽
16
01550-0645A
Болт
102 ₽
17
09168-08016
Прокладка
129 ₽
18
09493-22010
JET,AIR
931 ₽
19
09493-32002
JET
931 ₽
20
09493-40002
Jet,air
Цена по
запросу
21
09280-03003
O RING(D:1.05,ID:3.1)
1 090 ₽
22
09103-10137
BOLT(10X255)
7 080 ₽
23
09103-10212
Vis (10x240)
Цена по
запросу
24
09103-10127
BOLT(10X170)
10 520 ₽
25
09103-10278
BOLT(10X160)
1 244 ₽
26
09159-10078
Гайка
2 420 ₽
27
11611-01D10
SPACER,ENG MTG(L:16.8)
540 ₽
28
11610-45410
SPACER,ENGINE MOUNT(L:65)
867 ₽
29
11521-44100
PLATE,OIL SEPARATOR
192 ₽
30
02112-3612A
Болт
1 250 ₽

Узлы для