4 - CRANKCASE

4 - CRANKCASE
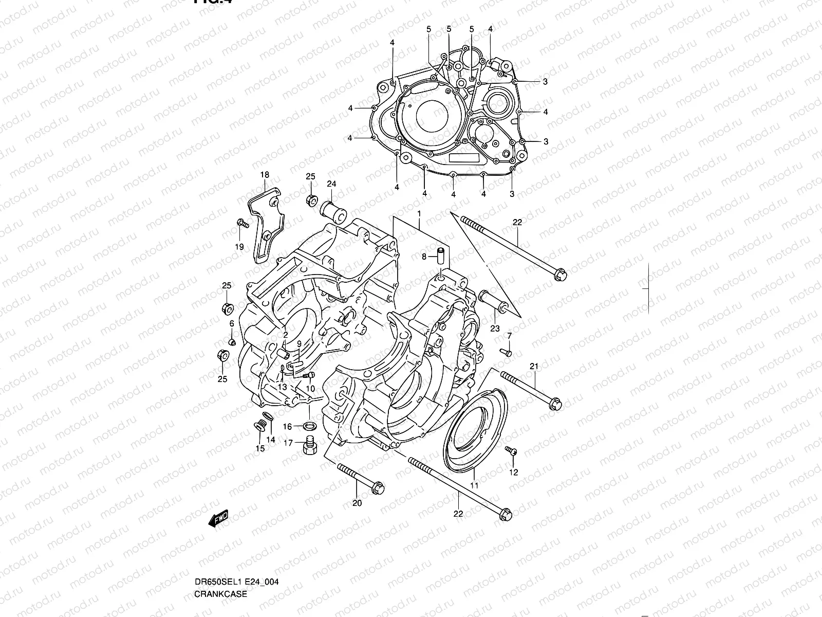
1
11300-32881
Картер
96 866 ₽
2
09202-10006
PIN
5 280 ₽
3
09103-06261
BOLT(6X60)
146 ₽
4
09103-06215
BOLT(6X40)
129 ₽
5
01547-0680A
БОЛТ
1 640 ₽
6
11180-43410
JET,OIL GALLERY
766 ₽
7
09223-04001
Крюк
820 ₽
8
09364-12001
Болт соединяющий
1 720 ₽
9
11390-04F00
Жиклер
1 098 ₽
10
09106-06075
БОЛТ
1 450 ₽
11
11323-32E00
SEPARATOR,CRANKCASE OIL
727 ₽
12
02112-0612B
Болт
85 ₽
13
09280-04004
O RING(D:1.2,ID:4.0)
194 ₽
14
09168-14004
Прокладка
129 ₽
15
09248-14011
PLUG
226 ₽
16
09168-14004
Прокладка
129 ₽
17
09247-14026
Пробка редуктора сливная
289 ₽
18
11317-32E00
Крышка сапуна
700 ₽
19
02112-0612B
Болт
85 ₽
20
09103-10110
BOLT(10X100)
420 ₽
21
09103-10237
BOLT(10X130)
469 ₽
22
09103-10239
BOLT(10X235)
1 001 ₽
23
11610-45410
SPACER,ENGINE MOUNT(L:65)
867 ₽
24
11610-20C00
SPACER,ENGINE MOUNT(L27)
918 ₽
25
09159-10115
Гайка
289 ₽

Узлы для