РАМА для GSF1250S K8 Bandit (E02,E19,E24,E37) SUZUKI (VIN: JS1CH113, JS1CH111)

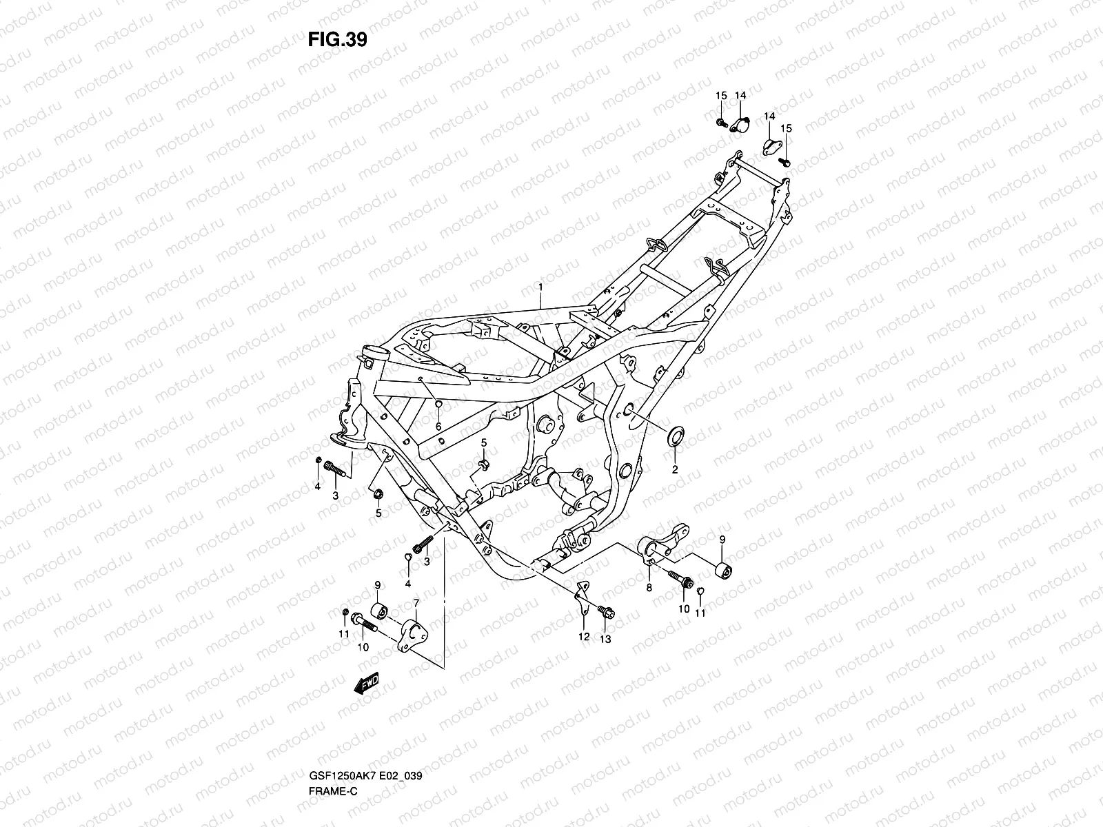
39 - FRAME (MODEL K7/K8)
1
41100-18H01-YAP
FRAME(BLACK)
285 090 ₽
1
41100-18H01-YHG
Frame (gray)
Цена по
запросу
1
41100-18H00-YMD
Frame(silver)
Цена по
запросу
2
43585-38G01
CAP,FRAME PIVOT
714 ₽
3
09106-10068
BOLT(10X37)
204 ₽
4
09250-08012
Крышка
1 060 ₽
5
08319-3110B
Гайка
1 920 ₽
6
09250-12014
PLUG(OD:17)
2 070 ₽
7
41931-18H00
BRACKET,ENGINE MOUNTING NO.2,R
11 261 ₽
8
41941-18H00
BRACKET,ENGINE MOUNTING NO.2,L
10 322 ₽
9
41932-27E50
BUSH,ENG MOUNTING NO.2
1 290 ₽
10
09106-08065
BOLT(8X28)
1 990 ₽
11
09250-06016
Cap,muf Sprt Bolt
102 ₽
12
41942-18H00-YAP
Кронштейн
3 402 ₽
12
41942-18H00-YHG
Кронштейн
4 106 ₽
12
41942-18H00-YMD
Bracket,eng mtg
Цена по
запросу
13
01550-0820A
БОЛТ
102 ₽
14
42550-49G00
DAMPER,FRAME
3 812 ₽
15
01550-0612B
БОЛТ
81 ₽

Узлы для