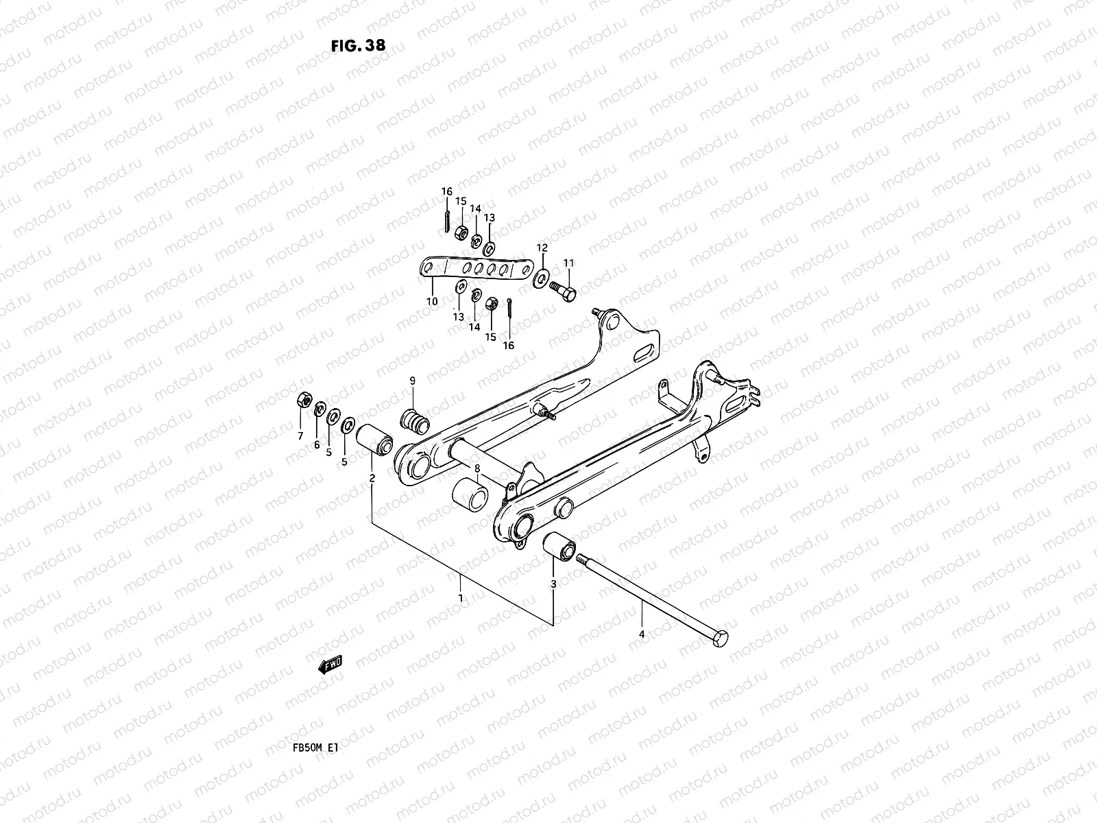
38 - REAR SWINGING ARM

38 - REAR SWINGING ARM
1
61000-09421-00J
Swinging arm assy, rear (red)
Цена по
запросу
1
61000-09421-33W
Swinging arm assy, rear (green)
Цена по
запросу
1
61000-09421-33Y
Swinging arm assy, rear (brown)
Цена по
запросу
2
09319-10009
BUSHING(10X23X35)
3 790 ₽
3
09319-10043
Втулка
8 450 ₽
4
61211-09420
SHAFT,PIVOT
989 ₽
5
08322-0110B
Шайба
85 ₽
6
08321-01107
Шайба, стопорная
85 ₽
7
08310-00107
Гайка
85 ₽
8
09320-22001
CUSHION
2 310 ₽
9
09250-22002
Крышка
1 170 ₽
10
64311-09401
Link, rear torque
Цена по
запросу
11
09111-08016
BOLT(8X29)
2 460 ₽
12
64322-09401
Cushion
Цена по
запросу
13
08322-01087
Шайба
81 ₽
14
08321-01087
Пластина замка
81 ₽
15
09140-08008
ШАЙБА
97 ₽
16
04111-2020A
Штифт
81 ₽

Узлы для