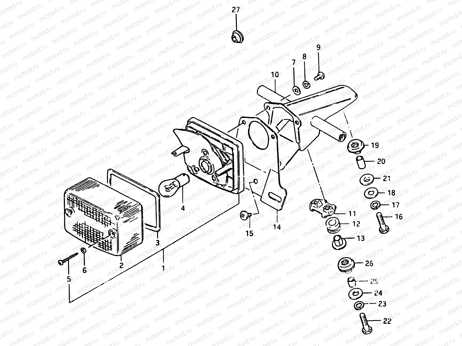
38 - REAR COMBINATION LAMP (E16)

38 - REAR COMBINATION LAMP (E16)
1
35720-30960
Lamp unit, tail
Цена по
запросу
2
35712-48524
Taillight lens
Цена по
запросу
3
35713-48510
Прокладка
352 ₽
4
09471-06063
Bulb 6v/1,7w
Цена по
запросу
5
03211-04306
Болт
1 020 ₽
6
35627-43010
GASKET
179 ₽
7
08322-01057
Шайба
85 ₽
8
08321-0105A
Пластина замка
81 ₽
9
02112-05127
Болт
81 ₽
10
35730-48590
Bracket assy
Цена по
запросу
11
35716-30950
PLATE
504 ₽
12
35765-30950
CUSHION
250 ₽
13
35766-30950
Кольцо/шайба
137 ₽
14
35927-48590
.plate, license
Цена по
запросу
15
02142-05087
Винт 5X8 CROSS
85 ₽
16
01500-06307
Болт
85 ₽
17
08321-01067
Шайба, стопорная
81 ₽
18
09160-06077
Шайба (6.5X20X1.2)
102 ₽
19
09320-09010
САЙЛЕНТБЛОК
114 ₽
20
09180-06271
Кольцо/шайба
172 ₽
21
09320-09003
CUSHION
1 290 ₽
22
01500-0640B
Болт
81 ₽
23
08321-01067
Шайба, стопорная
81 ₽
24
09160-06077
Шайба (6.5X20X1.2)
102 ₽
25
09180-07019
SPACER(7.2X10X11.5)
179 ₽
26
09320-09010
САЙЛЕНТБЛОК
114 ₽
27
09308-07004
GROMMET
1 210 ₽

Узлы для