РАМА для GS500H K7 (P02,P19,P54) SUZUKI

38 - FRAME
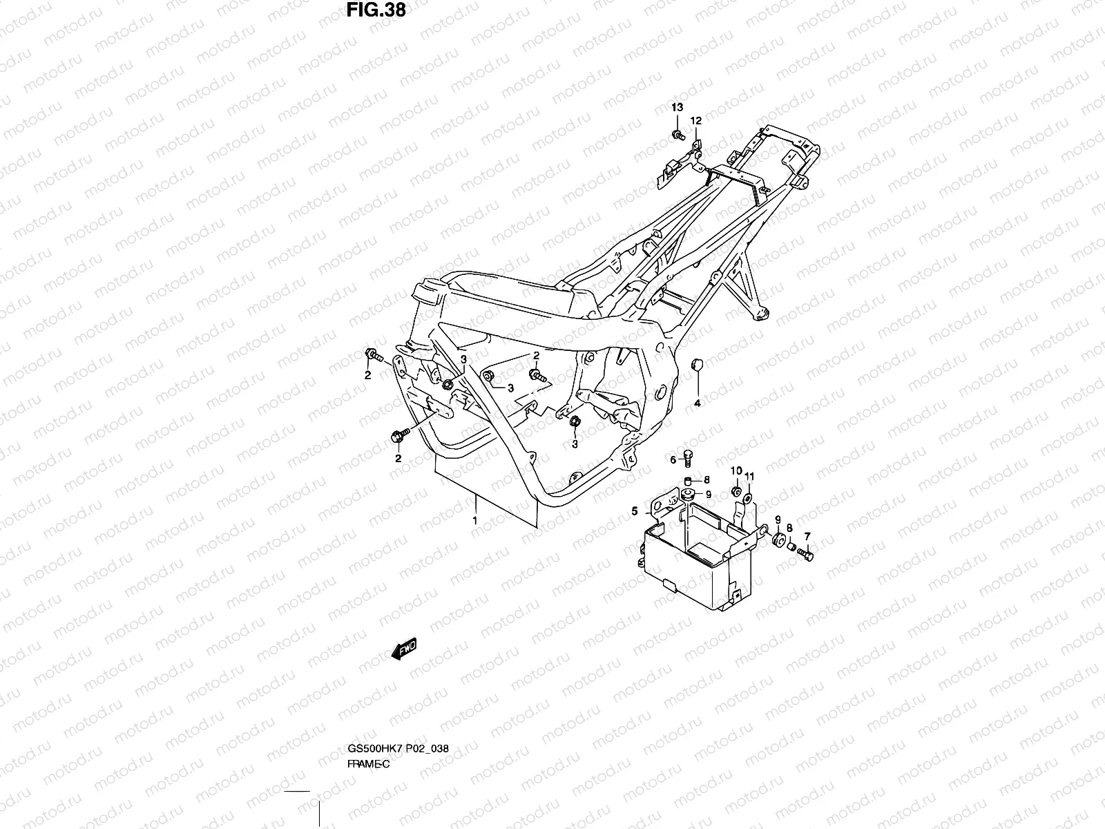
1
41100-01D80-ENM
Frame set
Цена по
запросу
1
41100-01D90-ENM
Frame set
Цена по
запросу
2
01550-1035B
Болт
2 310 ₽
3
08319-3110B
Гайка
1 920 ₽
4
43585-01D90
CAP,BODY FRAME
383 ₽
5
41540-01D60
HOLDER,BATTERY
5 787 ₽
6
01550-0616B
БОЛТ
81 ₽
7
09116-06167
БОЛТ
145 ₽
8
09180-06038
ВТУЛКА
1 020 ₽
9
09320-08510
Втулка резиновая (8.5X20X8)
194 ₽
10
Цена по
запросу
11
08322-0106A
Шайба
81 ₽
12
47410-01D11
Корпус
1 537 ₽
13
D1557-0616B
Болт
62 ₽

Узлы для