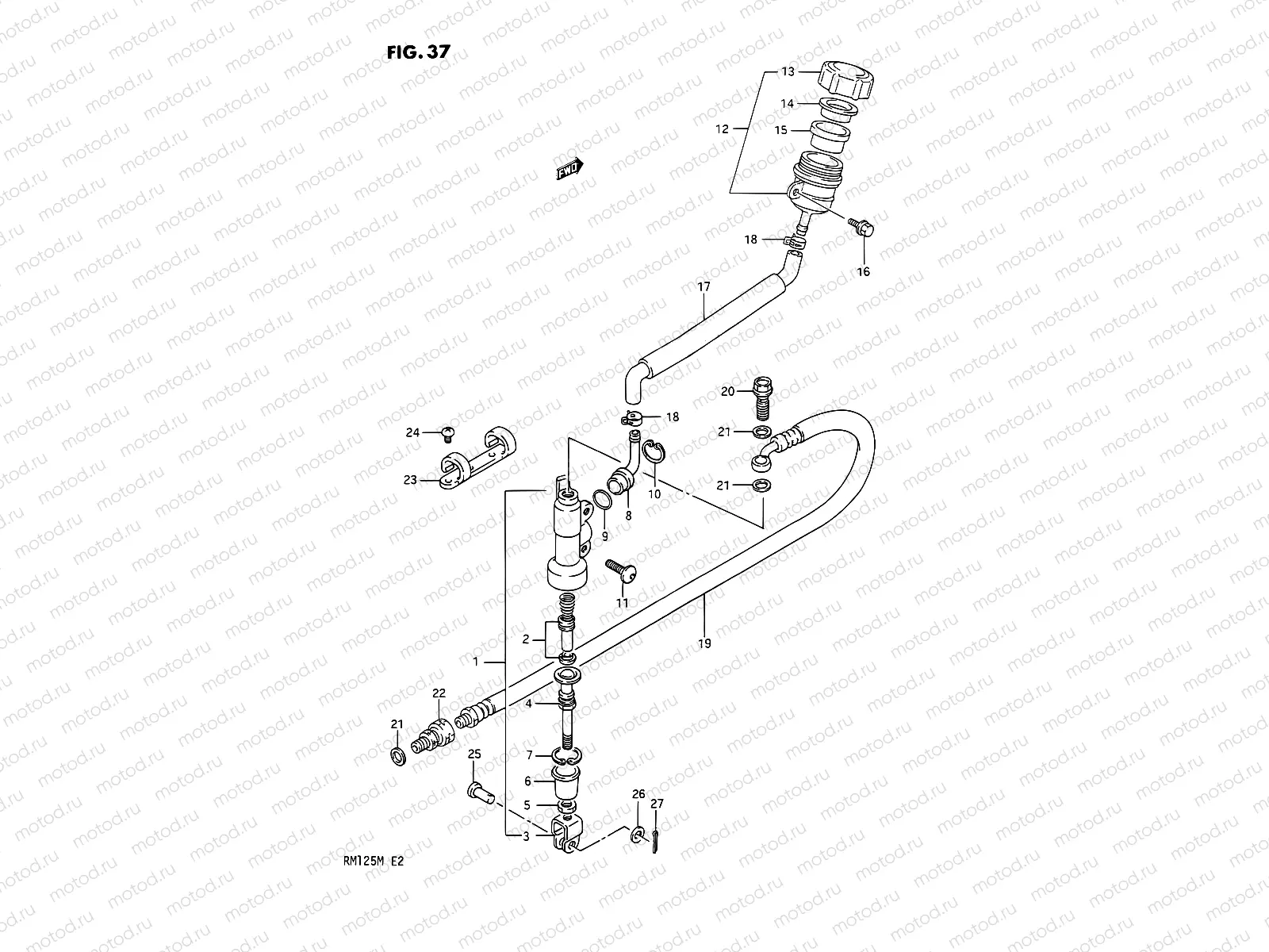
37 - REAR MASTER CYLINDER (MODEL K)

37 - REAR MASTER CYLINDER (MODEL K)
1
69600-01B31
Cylinder assy, rear master
2
69600-04810
PISTON/CUP SET
4 420 ₽/шт
3
69692-00B21
Ботинок
1 189 ₽/шт
4
69670-00B21
Толкатель
1 598 ₽/шт
5
69693-05A00
Гайка
162 ₽/шт
6
69691-00A00
Ботинок
275 ₽/шт
7
51162-70040
CIRCLIP
231 ₽/шт
8
69672-00B20
Коннектор
816 ₽/шт
9
69686-34200
Кольцо уплотнительное
162 ₽/шт
10
69674-00B20
CIRCLIP
162 ₽/шт
11
09106-06064
БОЛТ
3 680 ₽/шт
12
69740-05D00
TANK ASSY,RESERVOIR
7 336 ₽/шт
13
69669-03D10
CAP
1 454 ₽/шт
14
69668-00B20
PLATE
395 ₽/шт
15
69667-00B20
DIAPHRAGM
918 ₽/шт
16
01550-06207
БОЛТ
85 ₽/шт
17
69731-00B23
Hose, reservoir tank
18
69735-00B20
CLAMP,RESERVOIR HOSE
254 ₽/шт
19
69480-27C02
Durite de frein
20
09360-10061
Болт соединяющий
3 910 ₽/шт
21
09161-10009
Шайба
113 ₽/шт
22
59290-14501
ADAPTOR,BRAKE HOSE
1 877 ₽/шт
23
61196-28C00
Clamp,rear brake hose
24
02142-0510A
Болт
82 ₽/шт
24
02142-0510A
Болт
82 ₽/шт
25
09200-08048
PIN(8X20)
114 ₽/шт
26
09160-08074
Шайба
215 ₽/шт
27
04111-2015A
Штифт
81 ₽/шт

Узлы для