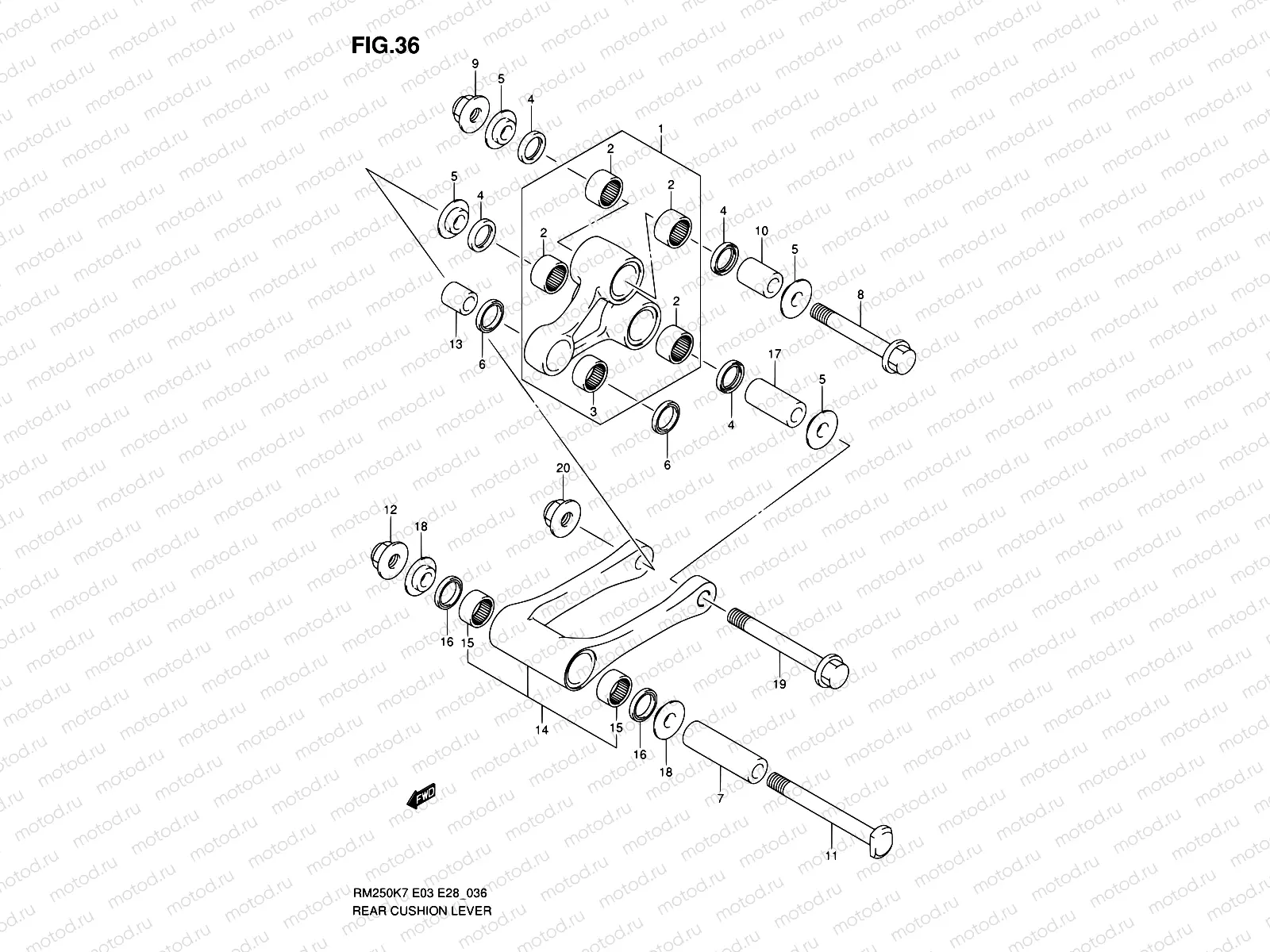
36 - REAR CUSHION LEVER

36 - REAR CUSHION LEVER
1
62600-37860
LEVER SET,RR CUSHION
37 536 ₽/шт
2
09263-20090
BEARING(20X26X14)
884 ₽/шт
3
09263-20083
BEARING(20X26X12)
1 405 ₽/шт
4
09284-20003
SEAL,OIL(20X26X4)
408 ₽/шт
5
62647-37F10
Кольцо/шайба
1 114 ₽/шт
6
09284-20001
SEAL,OIL(20X26X4.5)
388 ₽/шт
7
62317-37F10
SPACER,RR CUSHION ROD
2 268 ₽/шт
8
62658-37F10
BOLT,RR CUSHION LEVER UPR
547 ₽/шт
9
09159-12056
Гайка
565 ₽/шт
10
62648-37F10
SPACER,RR CUSHION LEVER UPPER
1 486 ₽/шт
11
62621-37F10
BOLT,RR CUSHION ROD
946 ₽/шт
12
09159-12056
Гайка
565 ₽/шт
13
62684-36E00
SPACER,RR CUSHION LEVER RR
824 ₽/шт
14
62600-37870
ROD SET,RR CUSHION
37 145 ₽/шт
15
09263-20090
BEARING(20X26X14)
884 ₽/шт
16
09284-20003
SEAL,OIL(20X26X4)
408 ₽/шт
17
62646-37F10
SPACER,RR CUSHION LEVER LWR
1 785 ₽/шт
18
62647-37F10
Кольцо/шайба
1 114 ₽/шт
19
62657-37F10
Болт тяги
653 ₽/шт
20
09159-12056
Гайка
565 ₽/шт

Узлы для