РАМА для GSX-R1000 K7 (E03,E28,E33) SUZUKI

36 - FRAME
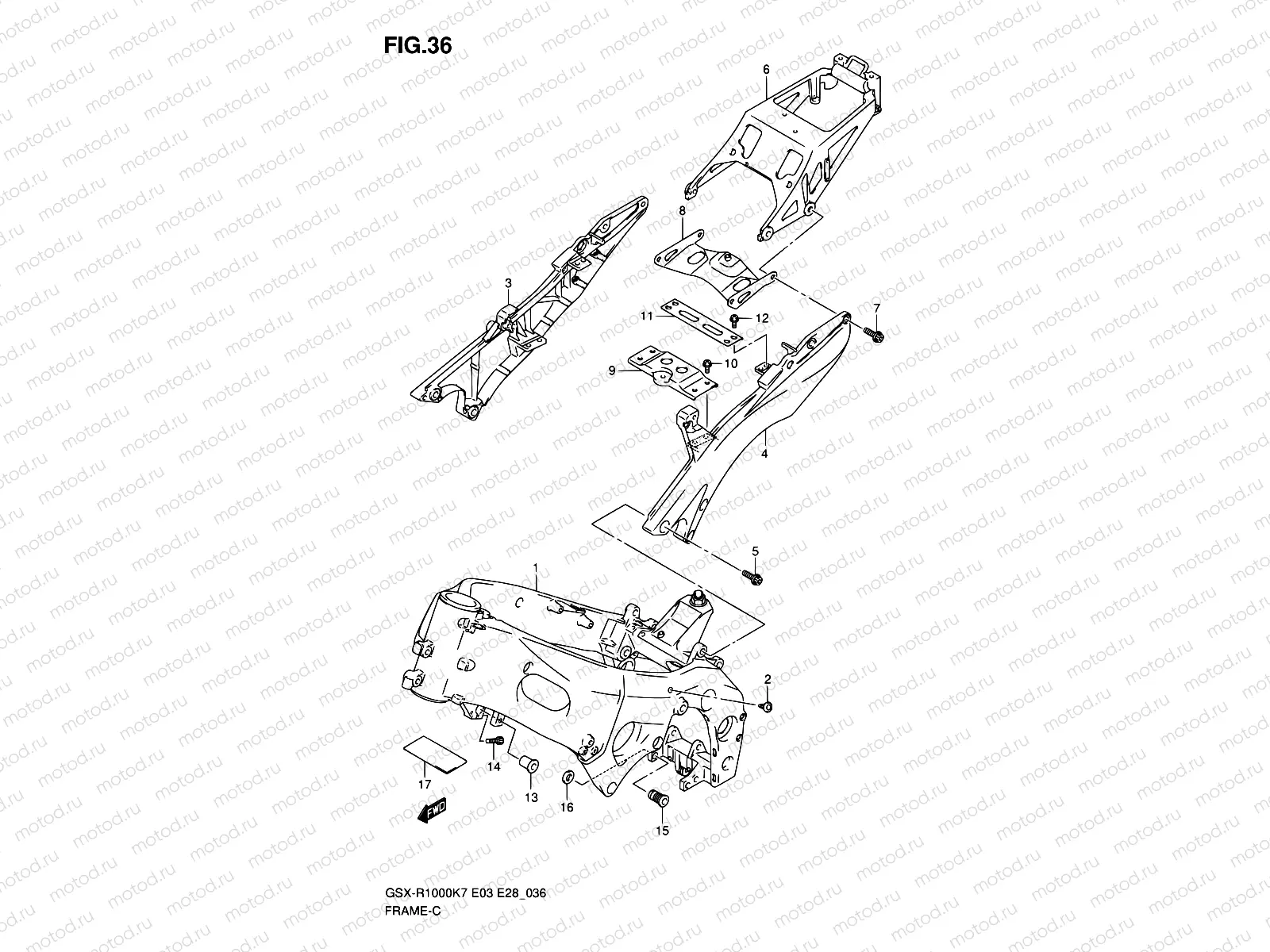
1
41100-21H00-YAP
FRAME(BLACK)
432 021 ₽
2
43585-01H01
ЗАГЛУШКА
162 ₽
3
41211-21H00-YAP
RAIL,SEAT,R(BLACK)
35 386 ₽
4
41221-21H00-YAP
RAIL,SEAT,L(BLACK)
35 190 ₽
5
41233-18G10
БОЛТ
723 ₽
6
41231-41G10
BRACKET,PILLION SEAT
42 636 ₽
7
07120-0820A
Болт
1 840 ₽
8
41240-01H00
BRIDGE,SEAT RAIL RR
5 591 ₽
9
41770-01H00
BRIDGE,SEAT RAIL FR
3 187 ₽
10
09103-06285
БОЛТ
136 ₽
11
41251-01H00
BRIDGE,SEAT RAIL UPPER
1 486 ₽
12
09103-06285
БОЛТ
136 ₽
13
41911-40F01
SPACER,ENGINE MOUNTING
1 131 ₽
14
09106-08170
Болт
2 740 ₽
15
41921-35F00
BOLT,CRANK CASE ADJUST
2 854 ₽
16
41922-18G00
NUT,ADJUST BOLT
1 904 ₽
17
41139-21H00
CUSHION,FRAME HEAD
344 ₽

Узлы для