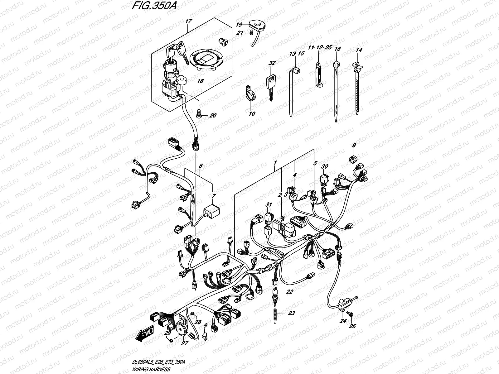
350A - WIRING HARNESS (DL650AL5 E28)

350A - WIRING HARNESS (DL650AL5 E28)
1
36610-11JH0
ARNESS,WIRING NO.1
89 760 ₽
2
09481-10504
Ограничитель,10A
1 250 ₽
3
09481-15501-LCP
Fusible (10A)
Цена по
запросу
4
09481-10015-025
Fusible (15A)
Цена по
запросу
5
09481-25103
ПРЕДОХРАНИТЕЛЬ
1 520 ₽
6
36620-11J02
HARNESS,WIRING NO.2
18 651 ₽
7
36618-47H00
Крышка соединителя
1 114 ₽
8
36654-06J01
Cap,ts
774 ₽
9
36711-11J00
GUIDE,WIRING HARNESS
473 ₽
10
09403-26401
CLAMP
2 620 ₽
11
09404-06039
Clamp(L:65)
194 ₽
12
09404-06036
Clamp(L:80)
194 ₽
13
09407-14403
КЛЕММА
221 ₽
14
09407-17402
CLAMP
210 ₽
15
09407-18402
Струбцина (L:165)
211 ₽
16
09407-14407
ЗАЖИМ
221 ₽
17
37000-11851
Lock set
Цена по
запросу
18
37100-11J11
LOCK ASSY,STEERING
14 741 ₽
19
37180-15H01
COVER,STEERING LOCK
4 659 ₽
20
09139-08016
БОЛТ ПЕТЛИ ДВЕРИ (8X20)
170 ₽
21
01547-0512B
OLT
1 490 ₽
22
37740-45D00
SWITCH ASSY,STOP LAMP
1 224 ₽
23
09443-06012
ПРУЖНА
1 840 ₽
24
37840-06G01
Switch Assy,side Stand
5 904 ₽
25
09404-06039
Clamp(L:65)
194 ₽
26
01550-0616B
БОЛТ
81 ₽
27
38500-11J00
Звуковой сигнал
4 457 ₽
28
09118-06017
БОЛТ
1 210 ₽
29
08316-1006B
Гайка
81 ₽
30
38740-24X50
RELAY ASSY, HEAD LAMP
2 665 ₽
31
38740-24X50
RELAY ASSY, HEAD LAMP
2 665 ₽
32
37146-11J00
KEY,BLANK
5 044 ₽

Узлы для