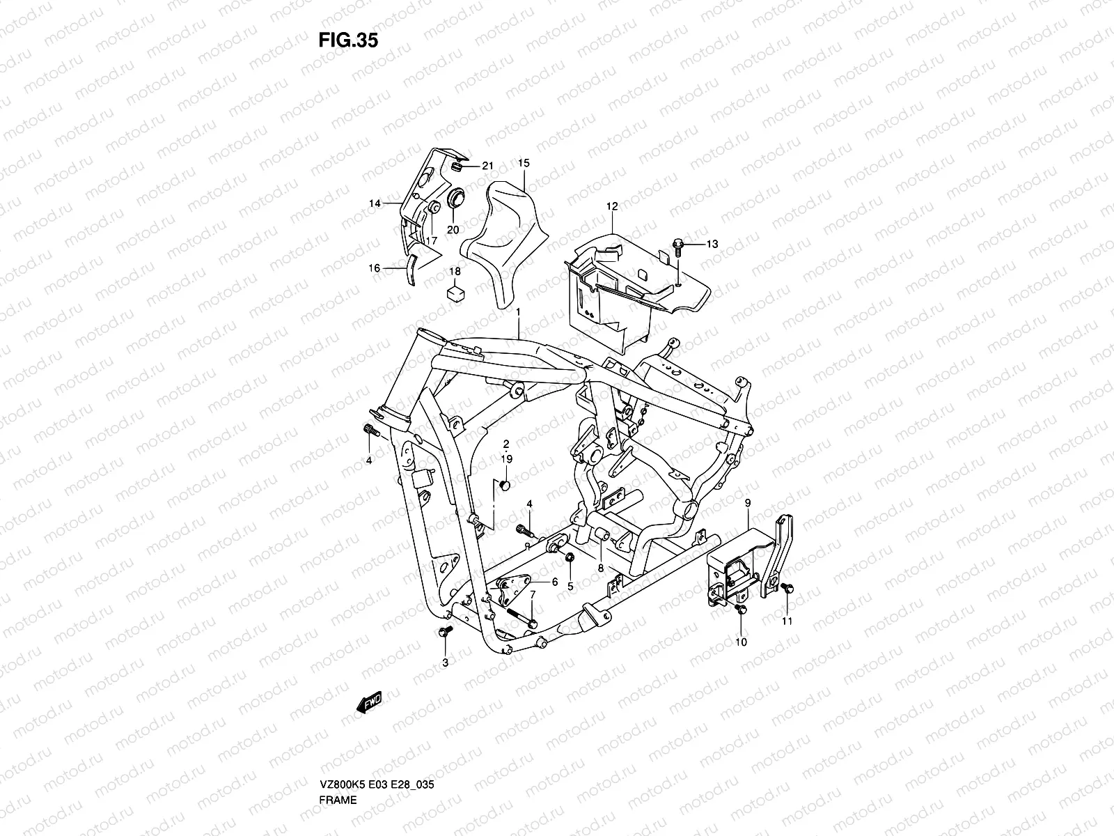
35 - FRAME (MODEL K5/K6/K7/K8)

35 - FRAME (MODEL K5/K6/K7/K8)
1
41100-39G01-019
FRAME(BLACK)
267 546 ₽
2
56524-23K10
Cap gsx-r 125/
Цена по
запросу
3
01550-0816B
Болт крепёжный
97 ₽
4
07130-1035B
Болт
179 ₽
5
08319-3110B
Гайка
1 920 ₽
6
41920-41F00
PLATE,ENGINE MOUNT NO.1,L
1 380 ₽
7
09112-08013
BOLT(8X65)
2 580 ₽
8
41941-41F00
SPACER,ENG MTG LR
676 ₽
9
41540-41F30
HOLDER,ELECTRIC PARTS
5 279 ₽
10
01550-0612B
БОЛТ
81 ₽
11
01550-0816B
Болт крепёжный
97 ₽
12
47410-41F02
HOLDER,ELECTRIC PARTS
4 653 ₽
13
09113-06001
БОЛТ
129 ₽
14
47351-41F01-019
COVER,FRAME HEAD,R(BLACK)
6 460 ₽
15
47361-41F02-019
COVER,FRAME HEAD,L(BLACK)
5 865 ₽
16
53145-40A00
CUSHION,FR FENDER
170 ₽
17
09320-08527
Cushion
1 640 ₽
18
17798-39G00
ДЕТАЛЬ
204 ₽
19
56524-23K10
Cap gsx-r 125/
Цена по
запросу
20
47355-41F01
CAP
578 ₽
21
09320-09501
ДЭМПФЕР
1 250 ₽

Узлы для