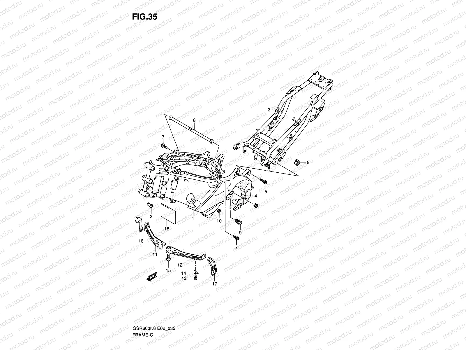
35 - FRAME (GSR600K6/UK6/K7/UK7)

35 - FRAME (GSR600K6/UK6/K7/UK7)
2
41147-44G00
CAP,FRAME HEAD
442 ₽
4
43585-44G11
CAP,TANK RAIL
Цена по
запросу
6
41750-44G00
TUBE,FRAME BRIDGE
4 848 ₽
7
07120-1025A
Болт
2 070 ₽
8
18214-75F00-000
ХОМУТ РУЛ. НАК.
194 ₽
9
41921-35F00
BOLT,CRANK CASE ADJUST
2 854 ₽
10
41922-18G00
NUT,ADJUST BOLT
1 904 ₽
11
41730-44G00
PLATE,FRAME FR,R
14 115 ₽
12
41740-44G00
Plate, frame front lh
Цена по
запросу
13
09103-06286
BOLT(6X20)
1 210 ₽
14
41149-44G00
Rondelle
Цена по
запросу
15
09106-08131
BOLT(8X30)
2 070 ₽
16
41770-44G00
Plate, frame rh
Цена по
запросу
17
41780-44G00
PLATE,FRAME,L
1 462 ₽
18
41148-44G00
CUSHION,FRAME FR
399 ₽

Узлы для