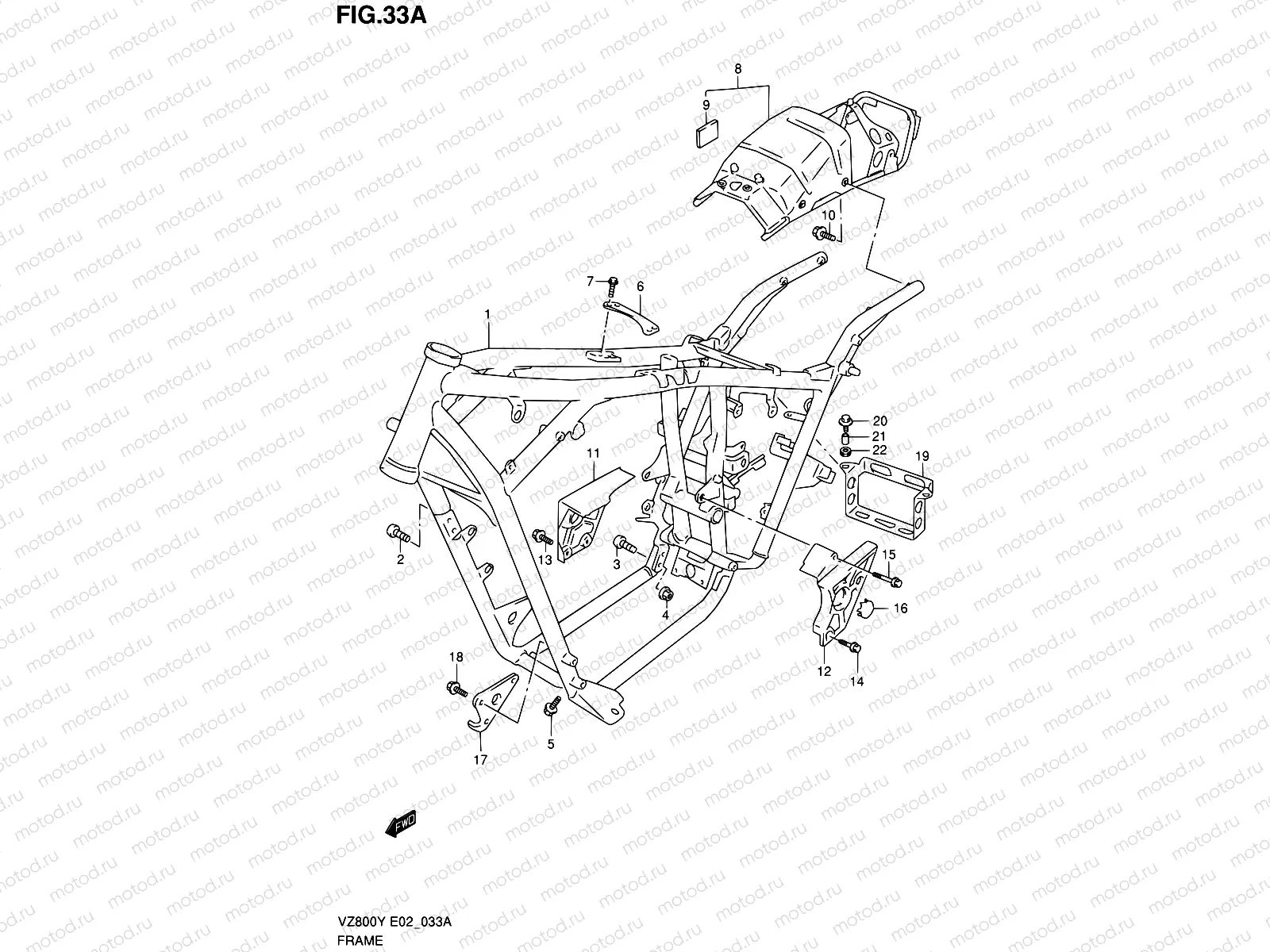
33A - FRAME (MODEL K1/K2/K3)

33A - FRAME (MODEL K1/K2/K3)
1
41100-48E90-019
Frame vz800/k1-
Цена по
запросу
2
07130-1025B
Болт
162 ₽
3
07130-1035B
Болт
179 ₽
4
08319-3110B
Гайка
1 920 ₽
5
01550-0816B
Болт крепёжный
97 ₽
6
41999-48E00
PLATE,FRAME BODY
1 267 ₽
7
09106-08140
Заглушка масляной магистрали
258 ₽
8
41501-48E00
BRACE ASSY,RR FRAME
43 384 ₽
9
13719-84150
РЕЗИНКА НА ПЕДАЛЬ ТО
172 ₽
10
01550-0820A
БОЛТ
102 ₽
11
41961-48E10
Cover,pivot,r
Цена по
запросу
12
41962-48E10
Cover, pivot lh
Цена по
запросу
13
09106-08128
Болт
2 070 ₽
14
41964-48E00
Bolt,pivot cvr.
Цена по
запросу
15
41965-48E00
BOLT,PIVOT COVER UPR,L
688 ₽
16
61222-38A01
CAP,RR SWINGING ARM PIVOT,R
824 ₽
17
41921-48E00
Plate,eng mnt,1
Цена по
запросу
18
09116-10140
Bolt (10x33)
Цена по
запросу
19
41540-48E00
Holder,battery
Цена по
запросу
20
09116-06006
BOLT(6X16)
81 ₽
21
09180-06261
Прокладка
189 ₽
22
09320-08510
Втулка резиновая (8.5X20X8)
194 ₽

Узлы для