РАМА для VS1400GLP S Intruder SUZUKI (VIN: JS1VX51L)

32B - FRAME (MODEL S)
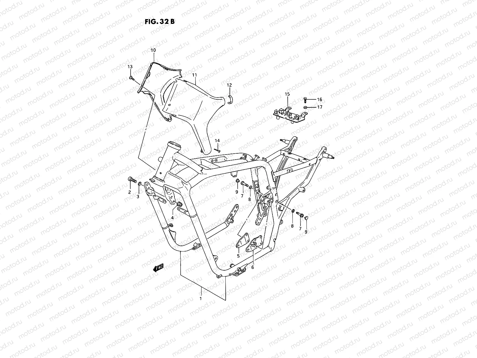
1
41101-38822-YAY
Frame set
Цена по
запросу
1
41101-38822-20F
rame set
Цена по
запросу
2
09106-10019
BOLT(10X33)
2 310 ₽
3
09164-10010
Шайба
3 250 ₽
4
08319-3110B
Гайка
1 920 ₽
5
41951-38B00-33J
Plate,eng mnt 4
Цена по
запросу
5
41951-38B00-20F
Plate,eng mnt,4
Цена по
запросу
6
41960-38B00-1ZV
Plate,engine mo
Цена по
запросу
6
41960-38B00-33J
Plate, no.4 lh (maroon)
1 799 ₽
6
41960-38B00-20F
Plate,eng mnt,4
Цена по
запросу
7
09106-08072
BOLT(8X32)
3 010 ₽
8
09164-08015
Шайба
162 ₽
9
09250-06004
CAP(OD:14.5)
97 ₽
10
47350-38B01-13L
COVER,FRAME HEAD,R(13L)
15 523 ₽
10
47350-38B01-13L
COVER,FRAME HEAD,R(13L)
15 523 ₽
10
47350-38B01-20F
Cover,fr.head,r
Цена по
запросу
11
47360-38B11-YAY
COVER,FRAME HEAD,L(BLACK)
16 930 ₽
11
47360-38B11-YAY
COVER,FRAME HEAD,L(BLACK)
16 930 ₽
11
47360-38B10-20F
Cover,fr.head,l
Цена по
запросу
12
47359-38B00
PROTECTOR,FRAME HEAD COVER
164 ₽
13
02142-0610B
Винт держатель
85 ₽
14
02112-0425B
Болт
85 ₽
15
47411-38B02
HOLDER,COUPLER
1 263 ₽
16
02142-0616A
Болт
81 ₽
17
09169-06010
WASHER
211 ₽

Узлы для