РАМА для VS1400GLF P Intruder (E01,E04,E17,E21,E22,E24,E34) SUZUKI (VIN: VX51L)

32A - FRAME (MODEL K/L/M/N/P/R)
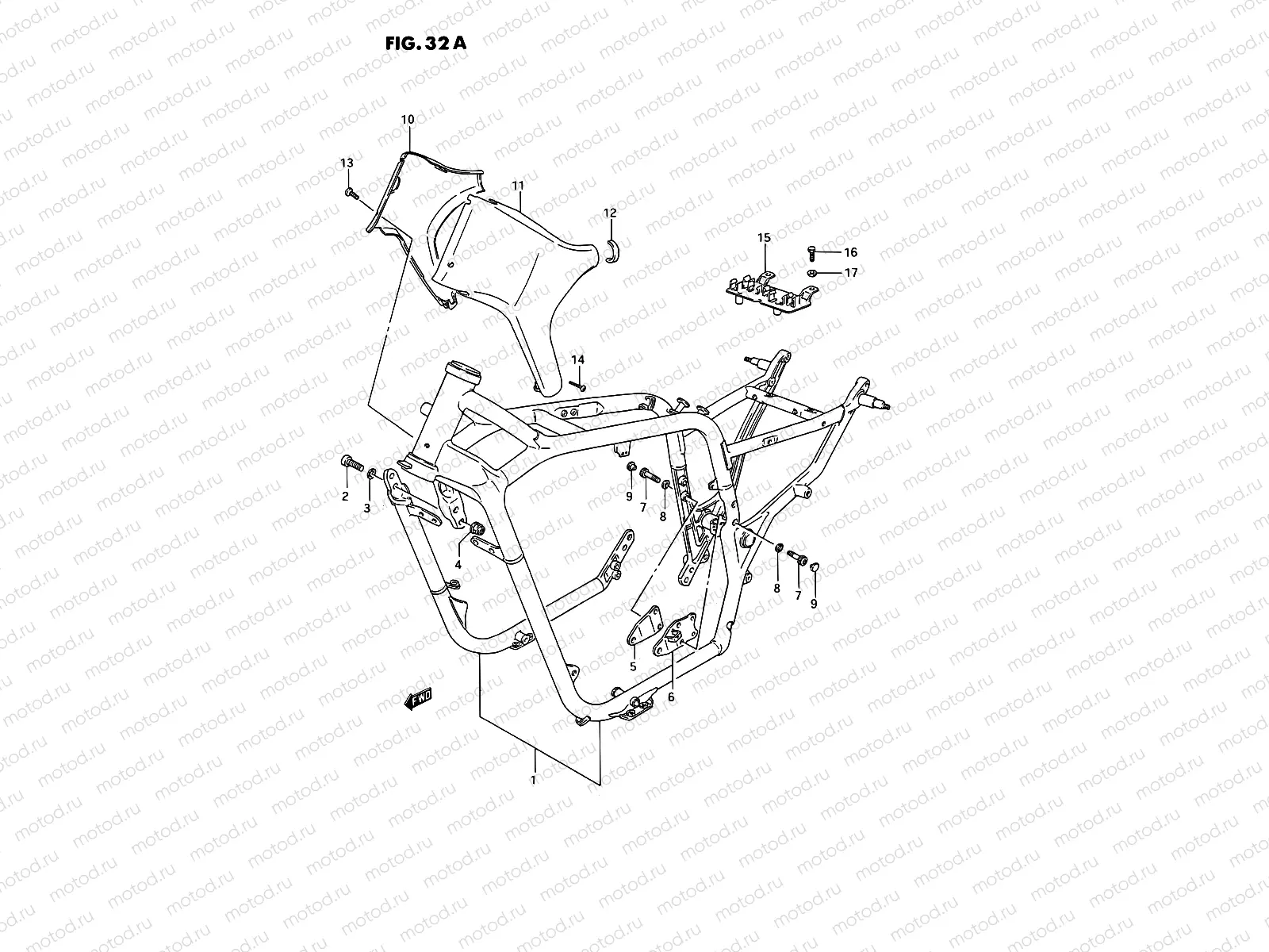
1
41101-38822-YAY
Frame set
Цена по
запросу
1
02142-0610B
Винт держатель
85 ₽
1
41101-38822-20F
rame set
Цена по
запросу
1
41101-38810-13Z
Frame set (black)
Цена по
запросу
2
09106-10019
BOLT(10X33)
2 310 ₽
3
09164-10010
Шайба
3 250 ₽
4
08319-3110B
Гайка
1 920 ₽
5
41951-38B00-33J
Plate,eng mnt 4
Цена по
запросу
5
41951-38B00-20F
Plate,eng mnt,4
Цена по
запросу
6
41960-38B00-33J
Plate, no.4 lh (maroon)
1 799 ₽
6
41960-38B00-20F
Plate,eng mnt,4
Цена по
запросу
7
09106-08072
BOLT(8X32)
3 010 ₽
8
09164-08015
Шайба
162 ₽
9
09250-06004
CAP(OD:14.5)
97 ₽
10
47350-38B01-20F
Cover,fr.head,r
Цена по
запросу
10
47350-38B01-13L
COVER,FRAME HEAD,R(13L)
15 523 ₽
11
47360-38B10-20F
Cover,fr.head,l
Цена по
запросу
11
47360-38B11-YAY
COVER,FRAME HEAD,L(BLACK)
16 930 ₽
12
47359-38B00
PROTECTOR,FRAME HEAD COVER
164 ₽
13
02142-0510A
Болт
82 ₽
14
02112-0425B
Болт
85 ₽
15
47411-38B02
HOLDER,COUPLER
1 263 ₽
16
01570-0616A
Болт
85 ₽
17
09169-06010
WASHER
211 ₽

Узлы для