32 - REAR COMBINATION LAMP (E39)

32 - REAR COMBINATION LAMP (E39)
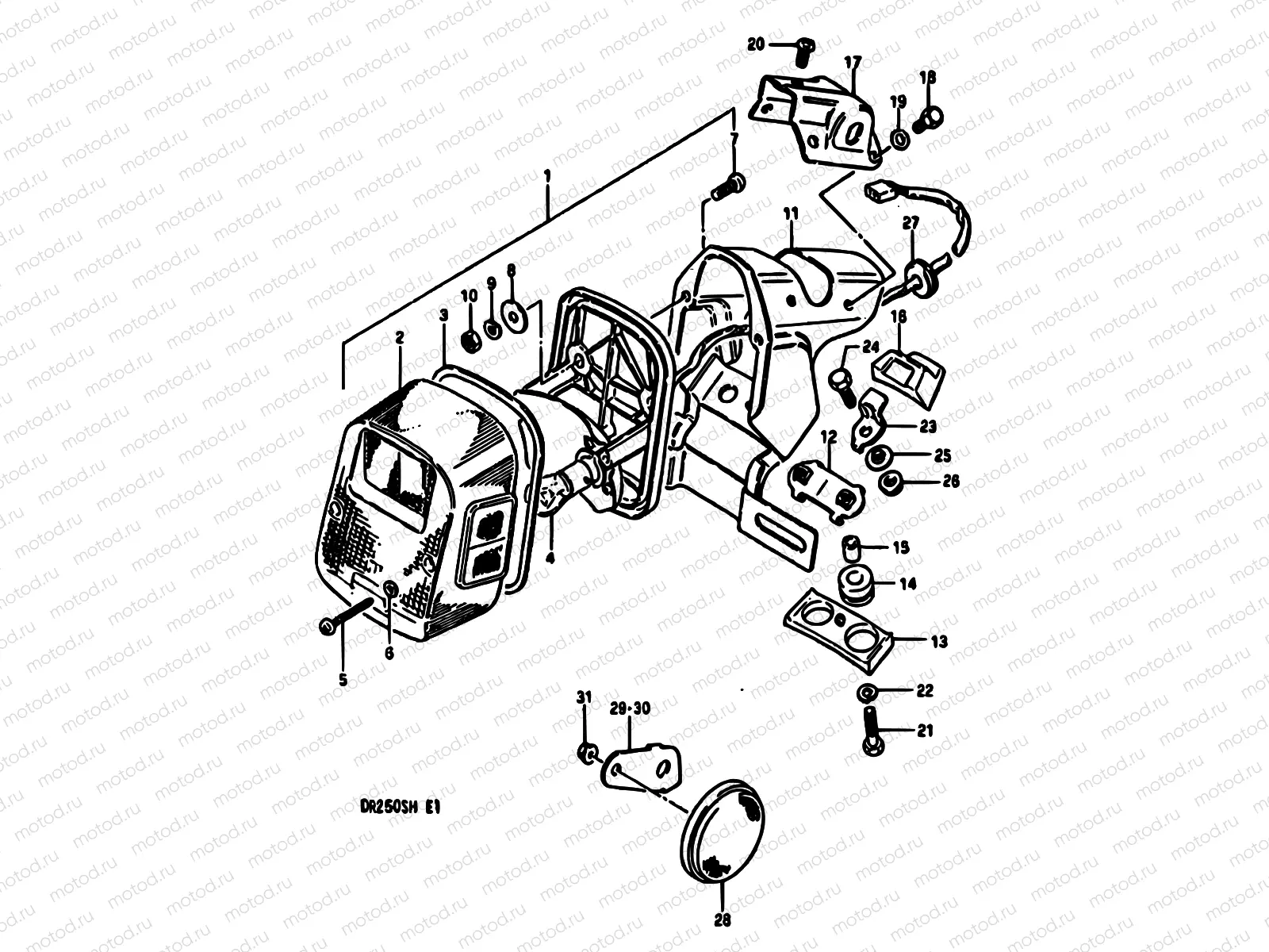
1
35720-38282
LAMP UNIT,REAR COMBINATION
Цена по
запросу
2
35712-48750
Линза
4 066 ₽
3
35713-38210
Gasket
Цена по
запросу
4
40503-00838-069
P21/5w,5w, bay1 (12V 21/5W BAY15d)
Цена по
запросу
5
03211-04306
Болт
1 020 ₽
6
35627-43010
GASKET
179 ₽
7
02112-0516B
Болт
1 090 ₽
8
09160-05501
Шайба (5.5X20X1.2)
81 ₽
9
08321-0105A
Пластина замка
81 ₽
10
08310-00057
Гайка
81 ₽
11
35730-38280
Bracket unit
Цена по
запросу
12
35716-38210
PLATE
Цена по
запросу
13
35765-38210
.cushion
Цена по
запросу
14
35765-30950
CUSHION
250 ₽
15
35766-38210
Кольцо/шайба
121 ₽
16
35717-38210
CUSHION,RR COMBI LAM
Цена по
запросу
17
35727-38280
.plate
Цена по
запросу
18
01500-0612B
Болт
1 210 ₽
19
08322-0106A
Шайба
81 ₽
20
02142-06127
Винт 6X12
81 ₽
21
01500-0630A
Болт
1 330 ₽
22
08321-0106A
Шайба
81 ₽
23
35793-37201
PLATE,RR COMBINATION LAMP
231 ₽
24
01500-0616B
Болт
1 330 ₽
25
09169-06010
WASHER
211 ₽
26
08319-31067
Гайка
153 ₽
27
09308-09004
GROMMET
1 250 ₽
28
35950-14A00
REFLECTOR,REFLEX FR
2 295 ₽
29
35975-38200
Bracket,rh
Цена по
запросу
30
35976-38200
Bracket,lh
Цена по
запросу
31
08316-1005B
Гайка
1 520 ₽

Узлы для