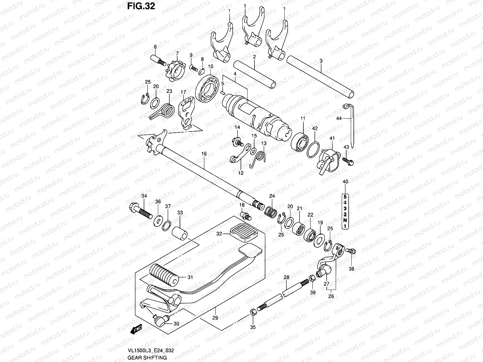
32 - GEAR SHIFTING

32 - GEAR SHIFTING
1
25211-35F11
ORK,GEAR SHIFT NO.1
5 491 ₽/шт
2
25411-38B01
GEAR SHAFT
1 548 ₽/шт
3
25411-44B00
SHAFT,GEAR SHIFT FORK NO.1
1 584 ₽/шт
4
25310-06J00
CAM,GEAR SHIFT
24 355 ₽/шт
5
04221-04089
шпонка ведомой звездочки балансира
81 ₽/шт
6
25312-42F01
BOLT,GEAR SHIFT CAM PLATE
459 ₽/шт
7
25381-13E00
ШЕСТЕРНЯ ВЫБОРА ПЕРЕДАЧ
2 805 ₽/шт
8
24741-20A00
RETAINER,COUNTER BEARING,R
170 ₽/шт
9
09126-06011
SCREW,6X12
81 ₽/шт
10
08113-69050
ПОДШИПНИК ВЫЖИМНОЙ
2 717 ₽/шт
11
09263-25018
BEARING(25X32X12)
1 343 ₽/шт
12
25350-24F00
STOPPER,SHIFT CAM
1 771 ₽/шт
13
25355-06J00
SPRING,GR SHT CAM STOPPER ARM
383 ₽/шт
14
09111-06041
BOLT(6X14.3)
1 520 ₽/шт
15
08211-06141
Шайба
1 170 ₽/шт
16
25510-40H00
SHAFT,GEAR SHIFT
6 803 ₽/шт
17
25512-06G20
PLATE,GEAR SHIFT CAM DRIVE
2 907 ₽/шт
18
25671-01011
STOPPER,GEAR SHIFT ARM
204 ₽/шт
19
09160-14016
Шайба
178 ₽/шт
20
09181-14167
ШАЙБА ФОРСУНКИ
1 520 ₽/шт
21
09263-14027
ПОДШИПНИК
728 ₽/шт
22
09283-14006
САЛЬНИК МЕХАНИЗМА ВЫБОРА КПП
678 ₽/шт
23
09440-17009
ПРУЖИНА
980 ₽/шт
24
09444-20012
SPRING
3 950 ₽/шт
25
08331-3114A
КЛИПС
97 ₽/шт
26
25520-40H01
Arm,gear Shift Link
3 539 ₽/шт
27
25526-47001
Cover,dust
258 ₽/шт
28
25525-17C20
ROD,GEAR SHIFT LINK
5 007 ₽/шт
29
25600-06J11
Lever Assy,gear Shift
12 473 ₽/шт
30
25526-47001
Cover,dust
258 ₽/шт
31
25652-10F00
Накладка педали резиновая
517 ₽/шт
32
43151-01400
Резина
544 ₽/шт
33
25617-22H00
SPACER,GEAR SHIFT LEVER
1 098 ₽/шт
34
09103-10300
BOLT(10X40)
3 750 ₽/шт
35
09140-06025
Гайка
81 ₽/шт
36
09160-10093
Шайба
144 ₽/шт
37
09164-18009
WASHER
115 ₽/шт
38
01547-0620A
Болт
81 ₽/шт
39
08310-00067
Гайка
81 ₽/шт
40
68392-38B00
LABEL,GEAR SHIFT
162 ₽/шт
41
37730-18H03
Sensor Assy,Gear Position
11 260 ₽/шт
42
09280-26005
КОЛЬЦО УПЛОТНИТЕЛЬНОЕ
194 ₽/шт
43
07120-0516B
БОЛТ
1 520 ₽/шт
44
09407-14403
КЛЕММА
221 ₽/шт

Узлы для