31 - FRAME (MODEL K7/K8/K9)

31 - FRAME (MODEL K7/K8/K9)
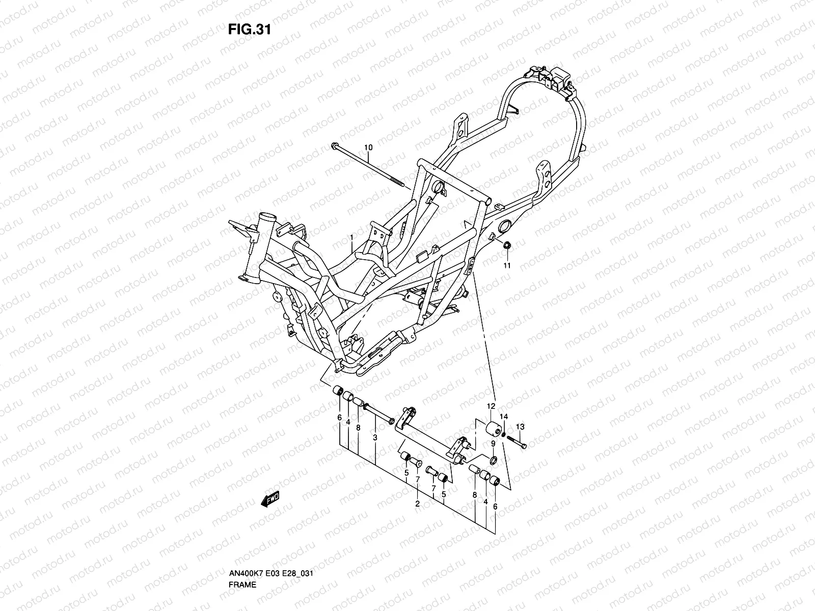
1
41100-05H11
Frame
1
41100-05H31
FRAME
1
41100-05H21
FRAME
182 385 ₽/шт
2
41180-05861
BRACKET SET,CRANKCASE
39 100 ₽/шт
3
42610-05H00
SPACER,CRANKCASE BRKT CTR
1 415 ₽/шт
4
09263-25063
BEARING(25X33X30)
1 779 ₽/шт
5
09263-20120
Bearing(20X27X26)
1 421 ₽/шт
6
09319-12065
Втулка
12 000 ₽/шт
7
41214-14F10
SPACER,CRANKCASE BRKT ENG
1 064 ₽/шт
8
41213-14F00
SPACER,CRANKCASE BRKT BRG
1 017 ₽/шт
9
09160-12044
Шайба
226 ₽/шт
10
09103-12086
BOLT(12X440)
29 720 ₽/шт
11
08319-3112A
Гайка
211 ₽/шт
12
41185-14F00
CUSHION,SWING STOP
1 756 ₽/шт
13
09103-12065
БОЛТ РЫЧАГА ПОДВЕСКИ, МЕТАЛЛ
3 010 ₽/шт
14
08322-0112B
Шайба
85 ₽/шт

Узлы для