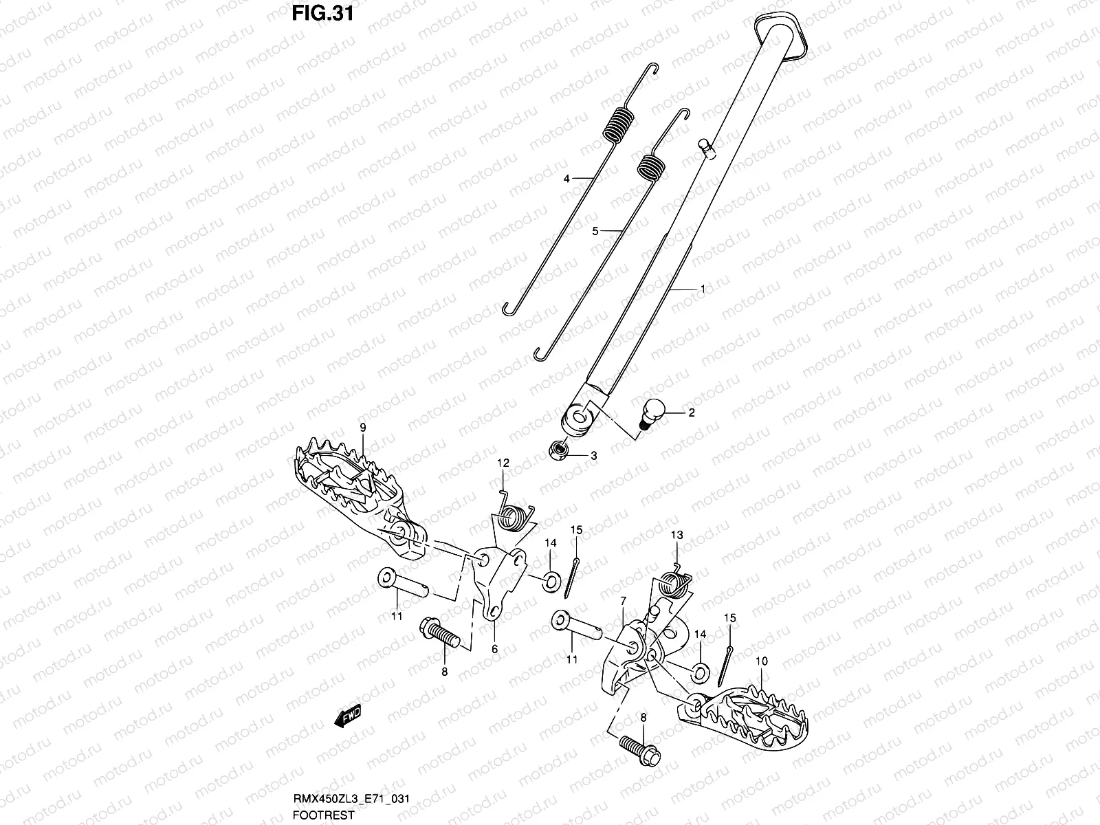
31 - FOOTREST

31 - FOOTREST
1
42310-02J00
STAND,PROP
8 876 ₽
2
09111-10060
BOLT(10X33)
2 540 ₽
3
42321-03FK0
Гайка
221 ₽
4
42421-02J00
SPRING,PROP STAND
1 037 ₽
5
42422-02J00
SPRING,PROP STAND OUTER
1 020 ₽
6
41855-28H10
BRACKET,FOOTREST,R
7 859 ₽
7
41865-02J00
BRACKET,FOOTREST,L
14 790 ₽
8
09103-10415
BOLT(10X25)
2 270 ₽
9
43551-28H10
FOOTREST,R
10 518 ₽
10
43561-28H10
FOOTREST,L
9 540 ₽
11
09200-10019
PIN(10X41.5)
517 ₽
12
09448-21012
Пружина
3 830 ₽
13
09448-21014
Пружина
3 830 ₽
14
09160-10121
Шайба
1 250 ₽
15
04111-2520A
Стопор
85 ₽

Узлы для