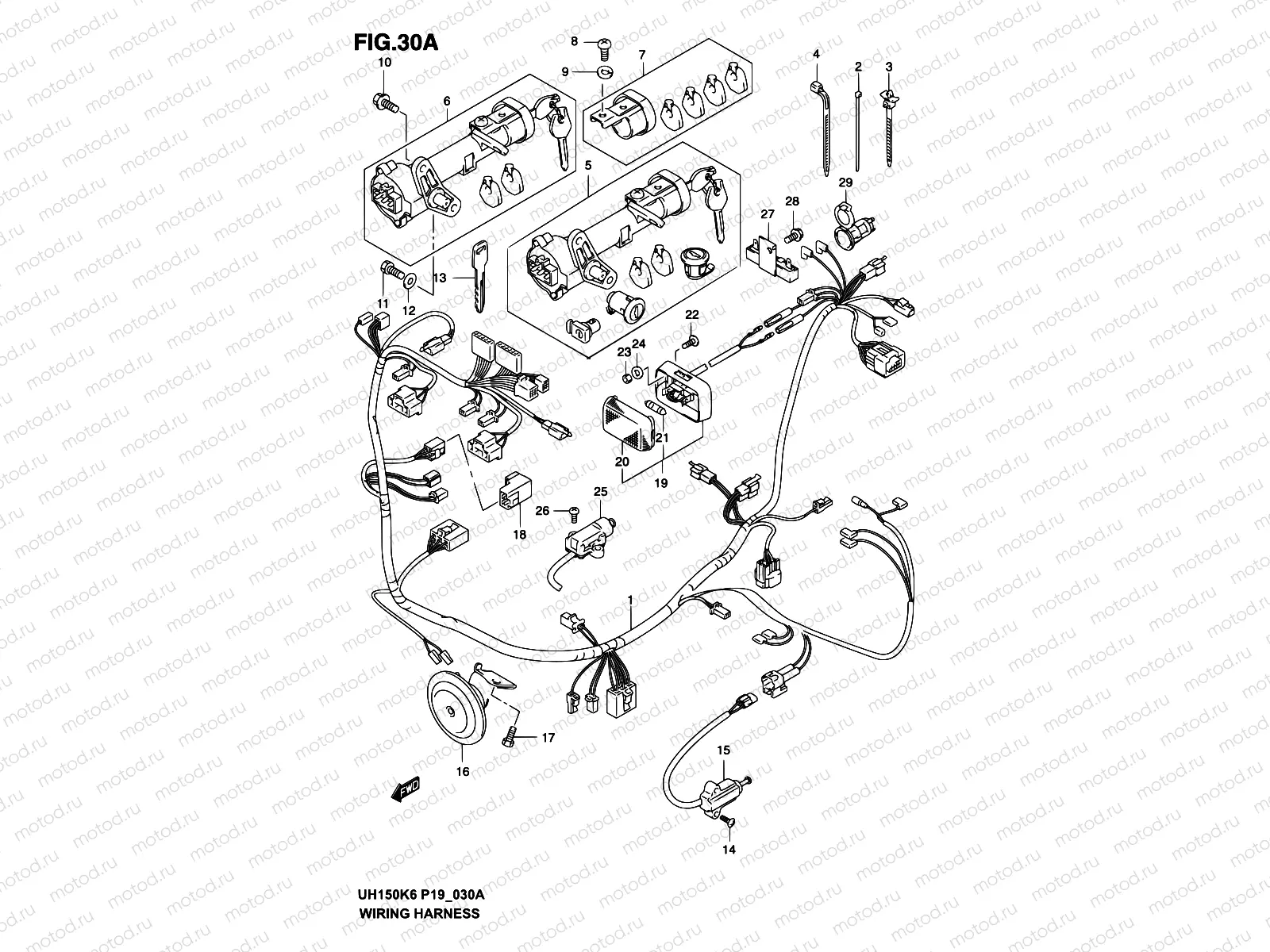
30A - WIRING HARNESS (MODEL K4/K5/K6)

30A - WIRING HARNESS (MODEL K4/K5/K6)
1
36610-07E20
HARNESS. WIRING
2
D9425-00975
Clamp
3
09407-11402
КОЛЬЦО
186 ₽/шт
4
D9425-00975
Clamp
4
D9448-02875
Collier
4
D9477-02135
CLAMP (L:200)
4
D9477-02995
CLAMP (L:290)
5
37011-49F00
Lock set uh125
6
37100-49F00
Lock ssteering
7
37155-49F00
Shutter
8
D2116-05085
Vis
9
08321-0105A
Пластина замка
81 ₽/шт
10
09139-06048
SCREW(6X20)
1 060 ₽/шт
11
D1507-0620A
Bolt, gear shift
34 ₽/шт
12
08322-0106A
Шайба
81 ₽/шт
13
37146-14F00
KEY,BLANK(TYPE:C)
1 079 ₽/шт
14
02112-0620A
Болт
85 ₽/шт
15
37840-49F01
Switch Assy,side Stand
5 904 ₽/шт
16
38500-07E10
HORN ASSY
17
01550-0812B
Болт
97 ₽/шт
18
38740-26E01
Relay Assy,fuel Pump
2 287 ₽/шт
19
36210-49F00
LAMP ASSY,TRUNK BOX
20
36212-79001
Линза
2 989 ₽/шт
21
09471-12073-LCP
BULB 12V.5W AN650
22
D2116-04125
Vis
23
D8310-00045
Nut
24
D8322-01045
Rondelle
25
37980-14F00
SWITCH ASSY,TRUNK BOX LAMP
4 966 ₽/шт
26
D2116-0516B
Vis
27
36510-49F00
RESISTOR ASSY
28
02112-0616A
Болт
81 ₽/шт
29
39410-49F00-P4Z
TERMINAL,POWER SOURCE
2 522 ₽/шт

Узлы для