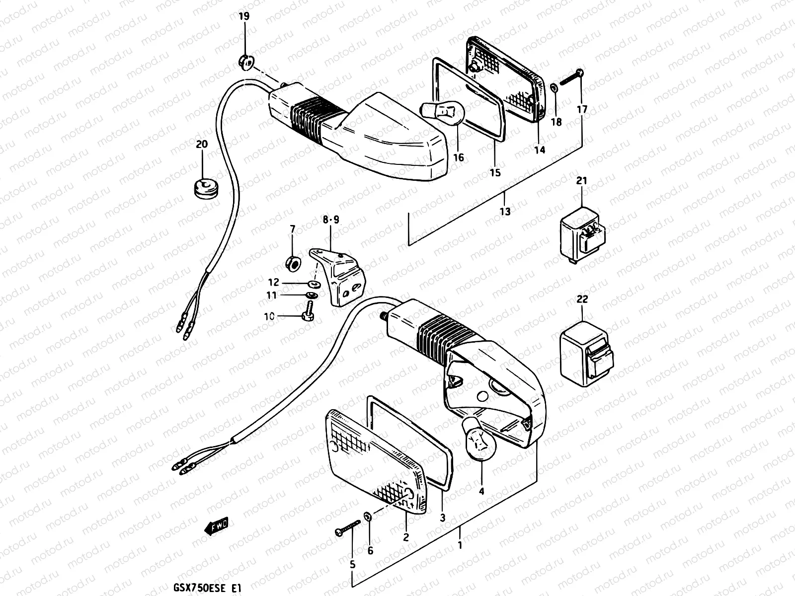
30 - TURN SIGNAL LAMP (E02,E15,E16,E17,E22,E26)

30 - TURN SIGNAL LAMP (E02,E15,E16,E17,E22,E26)
1
35601-00A20
Lamp assy, front turn signal
Цена по
запросу
1
35601-43440
Lampassy,fr
Цена по
запросу
2
35612-00A80
Lens,fr turnsig
Цена по
запросу
3
35613-43410
Gasket
Цена по
запросу
4
40503-00838-120
Bulb (12V 21W BA15s)
Цена по
запросу
5
03211-04207
Болт
85 ₽
6
35627-43010
GASKET
179 ₽
7
08316-1008B
Гайка
81 ₽
8
35671-31300
Bracket, front rh
Цена по
запросу
9
35681-31300
Bracket, front lh
Цена по
запросу
10
01500-0816B
Болт
85 ₽
11
08321-0108B
Пластина замка
81 ₽
12
08322-0108A
Шайба
85 ₽
13
35603-31350
Lamp assy, rear turn signal
Цена по
запросу
13
35603-31340
Lamp assy, rear turn signal
Цена по
запросу
14
35652-00A70
Lens turn signa
Цена по
запросу
15
35613-43410
Gasket
Цена по
запросу
16
40503-00838-120
Bulb (12V 21W BA15s)
Цена по
запросу
17
03211-04207
Болт
85 ₽
18
35627-43010
GASKET
179 ₽
19
08316-1008B
Гайка
81 ₽
20
09308-05011
GROMMET
980 ₽
22
38610-06F01
Relay Assy,turnsignal Lamp
5 435 ₽

Узлы для