30 - ELECTRICAL (VLR1800L1 E02)

30 - ELECTRICAL (VLR1800L1 E02)
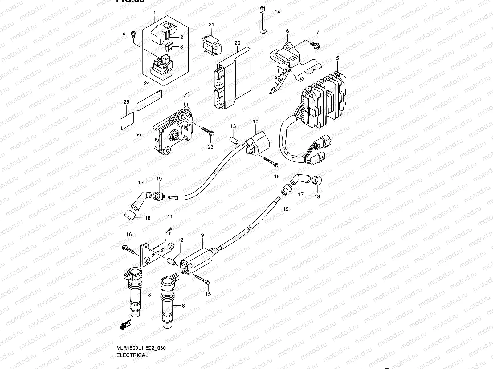
1
31800-06G11
Relais - démarreur
Цена по
запросу
2
31861-47E00
Крышка
841 ₽
3
09481-30101
Предохранитель
129 ₽
4
09128-06013
SCREW(6X8)
740 ₽
5
32800-10G20
RECTIFIER ASSY
46 189 ₽
6
32830-22H00
BRACKET,RECT FTG
1 576 ₽
7
01550-0812B
Болт
97 ₽
8
33410-35F11
Bobine d'allumage
Цена по
запросу
9
33420-26F10
COIL ASSY,IGNITION
11 183 ₽
10
33410-22H00
COIL ASSY,IGNITION RR
11 183 ₽
11
33414-22H00
Кронштейн
774 ₽
12
09180-06195
SPACER(6.4X10X18)
187 ₽
13
09180-06198
SPACER(6.2X12X16)
2 150 ₽
14
09404-06036
Clamp(L:80)
194 ₽
15
01547-0535A
Болт катушки зажигания
1 250 ₽
16
01550-0625A
Болт
102 ₽
17
33510-20E00
Крышка свечи зажигания
2 244 ₽
18
33541-47D00
Уплотнение
452 ₽
19
33542-38B00
Уплотнение
162 ₽
20
32920-22H02
Control unit,fi
Цена по
запросу
21
33960-06G10
SENSOR ASSY,FUEL CUT
6 379 ₽
22
33970-41G01
Actuator Assy
59 092 ₽
23
01560-0625A
Болт
1 330 ₽
24
33652-26E00
УПЛОТНИТЕЛЬ
203 ₽
25
36611-16G00
TAPE,WIRING HARNESS(28X50X0.13
152 ₽

Узлы для