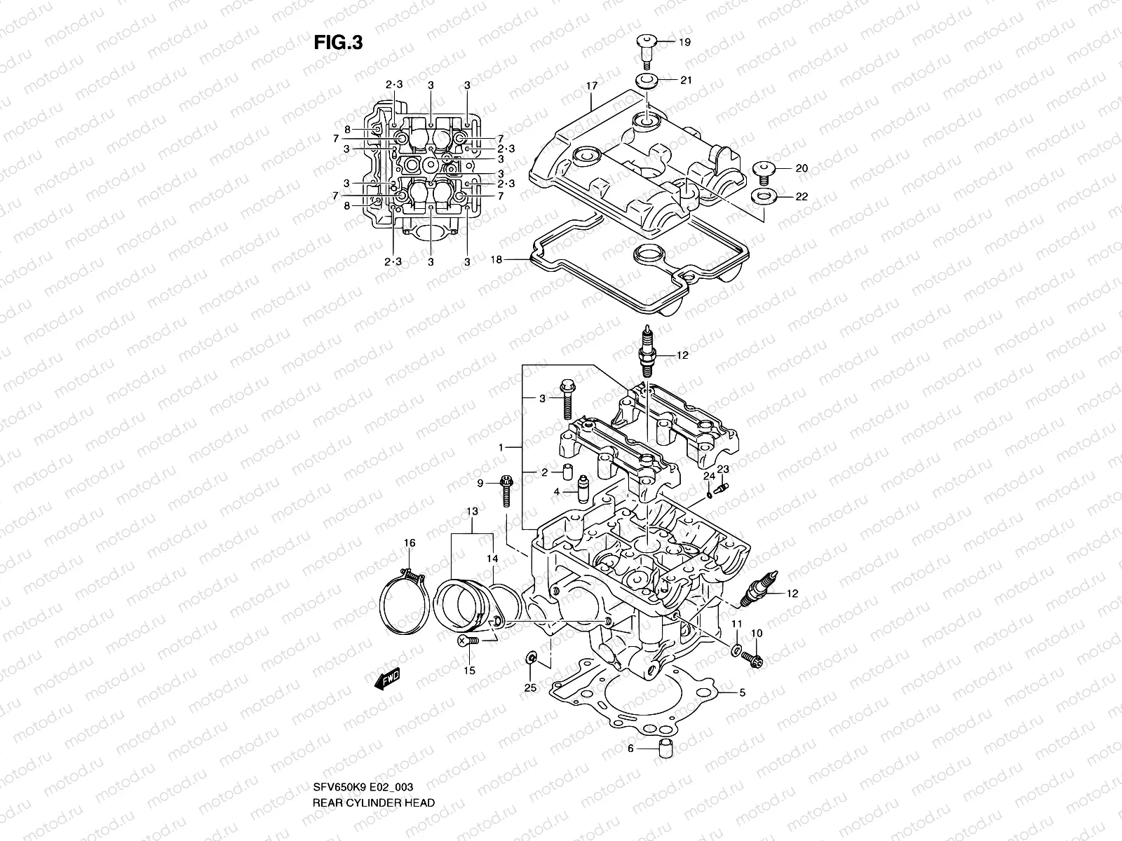
3 - REAR CYLINDER HEAD

3 - REAR CYLINDER HEAD
1
11103-44H11
EAD ASSY,CYLINDER REAR
74 052 ₽/шт
2
09206-08001
Стопор
170 ₽/шт
3
09103-06026
BOLT(6X39)
101 ₽/шт
4
11115-18D72
Направляющая клапана
2 053 ₽/шт
5
11141-20F00
Прокладка головки цилиндров
3 392 ₽/шт
6
04211-13189
ШТИФТ
129 ₽/шт
7
11117-44H00
BOLT,CYLINDER HEAD(L:160)
985 ₽/шт
8
09103-06103
BOLT(6X70)
162 ₽/шт
9
07120-0640B
БОЛТ
114 ₽/шт
10
09103-06222
BOLT(6X12)
119 ₽/шт
11
09168-06023
ПРОКЛАДКА
162 ₽/шт
12
09482-00554
PLUG,SPARK(CR7EIA-9)
3 186 ₽/шт
13
13102-17G10
Pipe d’admission (REAR)
14
09280-46007
O Ring(D:2.4,id:47X42)
291 ₽/шт
15
02122-0616B
Болт
85 ₽/шт
16
13827-40H00
CLAMP
1 590 ₽/шт
17
11172-19F20
COVER,CYLINDER HEAD RR
10 401 ₽/шт
18
11173-19F01
Прокладка под клапанную крышку
2 992 ₽/шт
19
09106-07021
БОЛТ
275 ₽/шт
20
09106-07010
BOLT(7X31)
437 ₽/шт
21
11191-27E00
Шайба
371 ₽/шт
22
11192-13E00
CUSHION,HEAD COVER BOLT
258 ₽/шт
23
09493-80005
JET(8)
1 131 ₽/шт
24
09280-04004
O RING(D:1.2,ID:4.0)
194 ₽/шт
25
11151-27G01
Cap,engine Mounting Rr Rh
258 ₽/шт

Узлы для