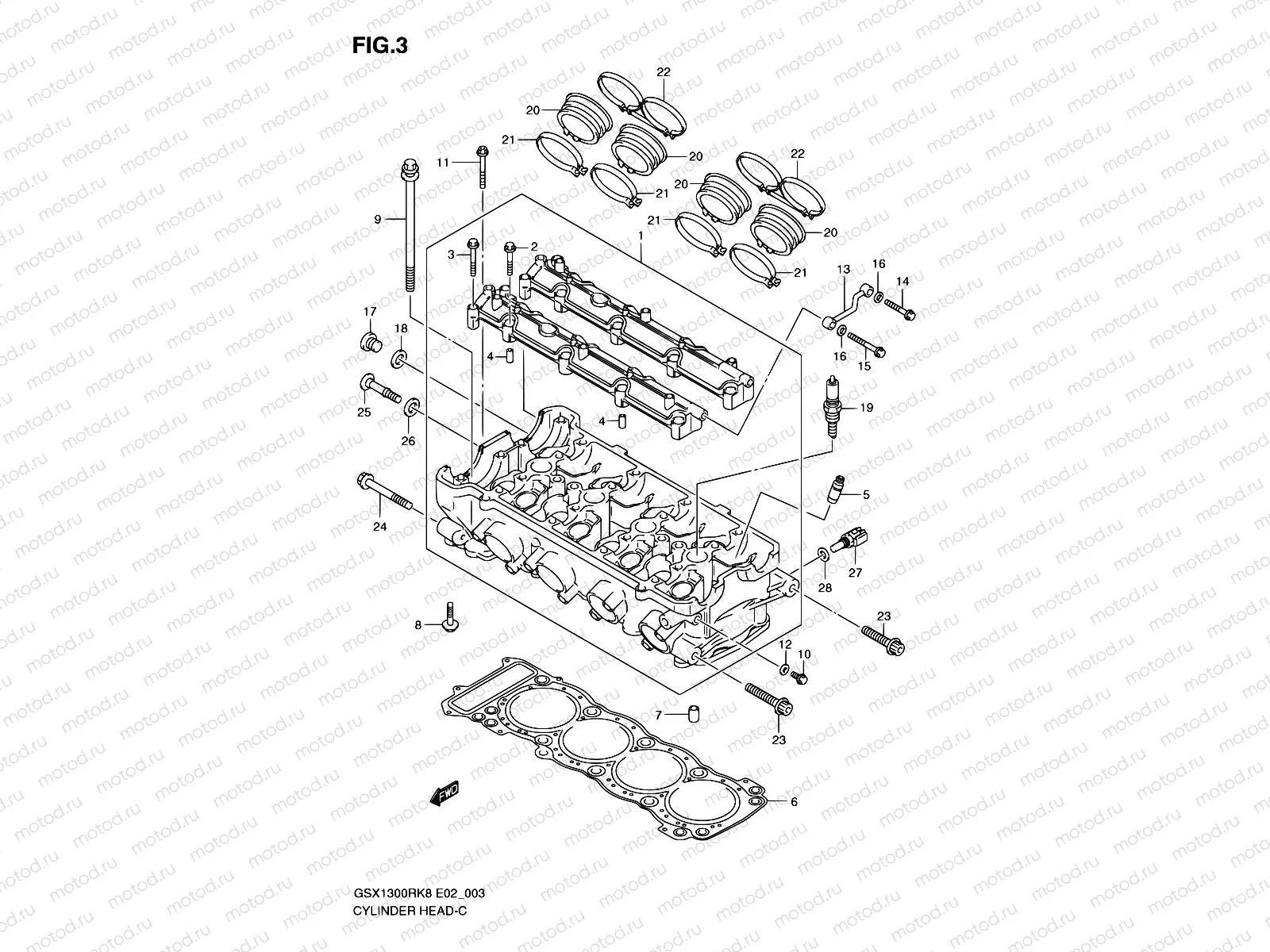
3 - CYLINDER HEAD

3 - CYLINDER HEAD
1
11100-15H02
ead Assy,cylinder
266 900 ₽
2
09103-06026
BOLT(6X39)
101 ₽
2
09103-06266
BOLT(6X40)
1 330 ₽
3
09103-06165
BOLT(6X45)
129 ₽
3
09103-06293
BOLT(6X45)
1 520 ₽
4
09206-08007
PIN(6.2X8X16)
1 520 ₽
5
11115-15H70
Направляющая клапана
2 125 ₽
6
11141-15H00
Прокладка ГБЦ
2 210 ₽
7
04211-11169
PIN
113 ₽
8
01550-0630B
Болт
1 640 ₽
9
11117-15H00
BOLT,CYLINDER HEAD(L:180)
1 048 ₽
10
09103-06222
BOLT(6X12)
119 ₽
11
07120-0655B
Болт головки цилиндра
2 030 ₽
12
09168-06023
ПРОКЛАДКА
162 ₽
13
11131-33E01
PIPE,CYL HEAD OIL
3 011 ₽
14
01550-0635A
Болт
102 ₽
15
01550-0645A
Болт
102 ₽
16
08322-0106A
Шайба
81 ₽
17
09248-16012
ШЛАНГ
289 ₽
18
09168-16009
Прокладка
162 ₽
19
09482-00560
PLUG,SPARK(CR10EIA-9)
2 890 ₽
20
13111-15H01
Pipe,intake
1 341 ₽
21
09402-60208
ХОМУТ РАСШИРИТЕЛЯ
211 ₽
22
13170-15H10
CLAMP,INTAKE PIPE
1 598 ₽
23
09106-10069
BOLT(10X45)
2 620 ₽
24
09106-10084
BOLT(10X60)
3 210 ₽
25
11161-33E00
BOLT,CYL HEAD SIDE FACE
626 ₽
26
11191-13E00
WASHER,HEAD COVER
226 ₽
27
13650-49X00
SENSOR,TEMP
3 378 ₽
28
09168-12017
ПРОКЛАДКА РЕДУКТОРА
101 ₽

Узлы для