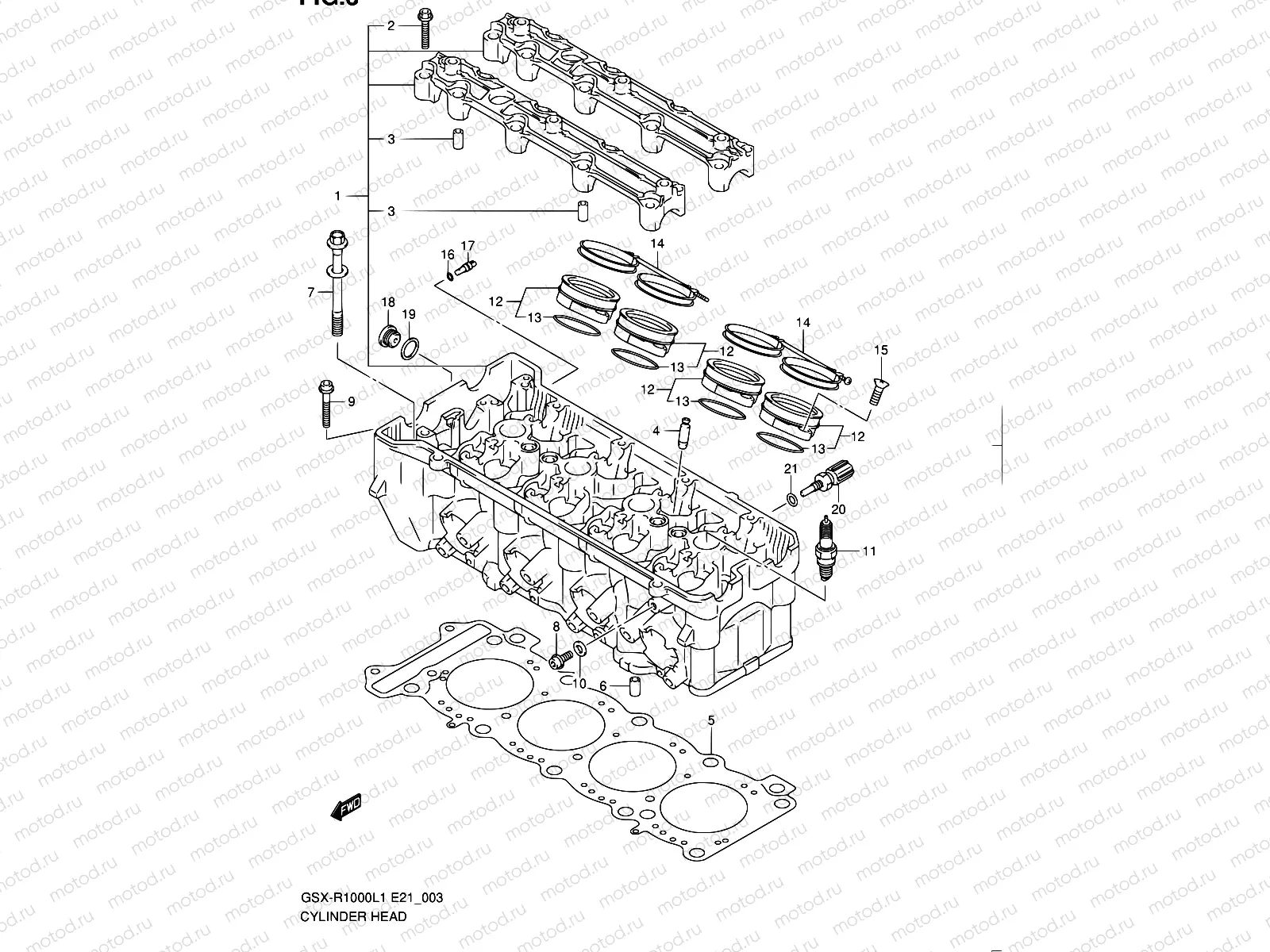
ГБЦ для GSX-R1000 L1 (E21) SUZUKI (VIN: JS1CY111)

3 - CYLINDER HEAD
1
11100-47H00
EAD ASSY,CYLINDER
194 446 ₽
2
09103-06266
BOLT(6X40)
1 330 ₽
3
09206-08007
PIN(6.2X8X16)
1 520 ₽
4
11115-29G70
Направляющая клапана (OS:0.3)
1 785 ₽
5
11141-47H01
ПРОКЛАДКА ГБЦ
11 968 ₽
6
113 ₽
7
11117-30G00
BOLT,CYLINDER HEAD L105
567 ₽
8
09103-06222
BOLT(6X12)
119 ₽
9
07120-0650A
Болт головки цилиндра
113 ₽
10
09168-06023
ПРОКЛАДКА
162 ₽
11
09482-00560
PLUG,SPARK(CR10EIA-9)
2 890 ₽
12
13101-47H01
Pipe Assy,intake
3 656 ₽
13
09280-48010
O RING(D:2.4,ID:47.2)
5 750 ₽
14
13170-47H00
CLAMP,INTAKE PIPE
2 190 ₽
15
02122-0616B
Болт
85 ₽
16
09280-04004
O RING(D:1.2,ID:4.0)
194 ₽
17
09493-32006
JET,OIL GALLERY(16)
845 ₽
18
09248-16012
ШЛАНГ
289 ₽
19
09168-16009
Прокладка
162 ₽
20
13650-49X00
SENSOR,TEMP
3 378 ₽
21
09168-12017
ПРОКЛАДКА РЕДУКТОРА
101 ₽

Узлы для