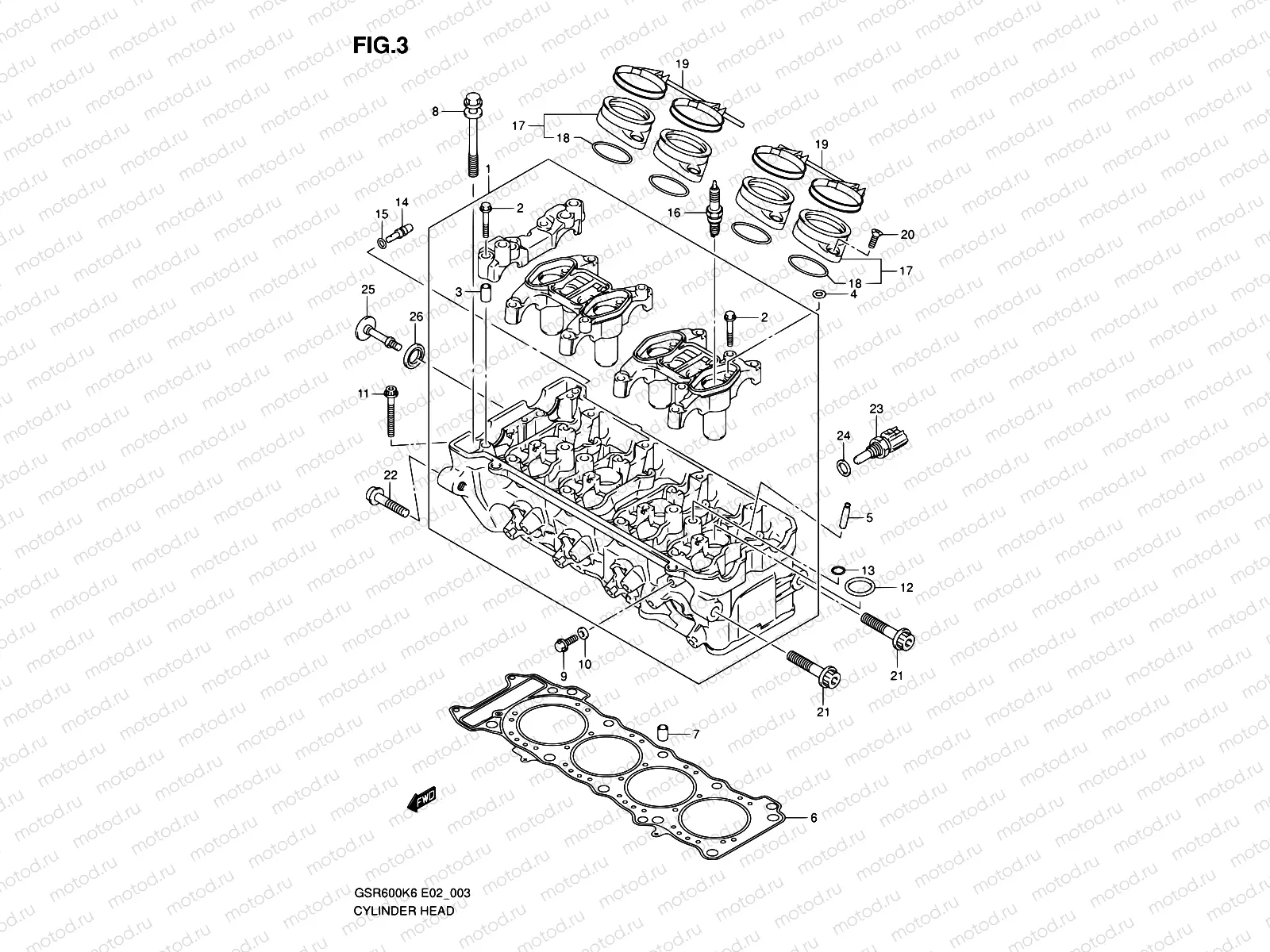
3 - CYLINDER HEAD

3 - CYLINDER HEAD
1
11100-44G00
Головка цилиндров
146 931 ₽
2
09103-06266
BOLT(6X40)
1 330 ₽
3
09206-08007
PIN(6.2X8X16)
1 520 ₽
4
09168-06018
Прокладка
119 ₽
5
11115-11D70
Направляющая клапана
1 785 ₽
6
11141-29G00
Прокладка головки цилиндров
9 350 ₽
7
04211-11169
PIN
113 ₽
8
11117-29G00
BOLT,CYLINDER HEAD
517 ₽
9
09103-06222
BOLT(6X12)
119 ₽
10
09168-06023
ПРОКЛАДКА
162 ₽
11
07120-0650B
Болт выпрямителя
2 030 ₽
12
11179-81402
Кольцо уплотнительное
194 ₽
13
09280-11005
Кольцо цилиндра
258 ₽
14
09493-80005
JET(8)
1 131 ₽
15
09280-04004
O RING(D:1.2,ID:4.0)
194 ₽
17
13101-29G00
Труба впускная
4 457 ₽
18
09280-42003
КОЛЬЦО УПЛОТНИТЕЛЬНОЕ
355 ₽
19
13170-29G02
CLAMP,INTAKE PIPE
1 785 ₽
20
02122-0616B
Болт
85 ₽
21
09106-10070
БОЛТ
306 ₽
22
09106-10066
BOLT(10X40)
5 040 ₽
23
13650-10G00
Датчик температуры воды
2 890 ₽
24
09168-12017
ПРОКЛАДКА РЕДУКТОРА
101 ₽
25
11161-33E00
BOLT,CYL HEAD SIDE FACE
626 ₽
26
11191-13E00
WASHER,HEAD COVER
226 ₽

Узлы для