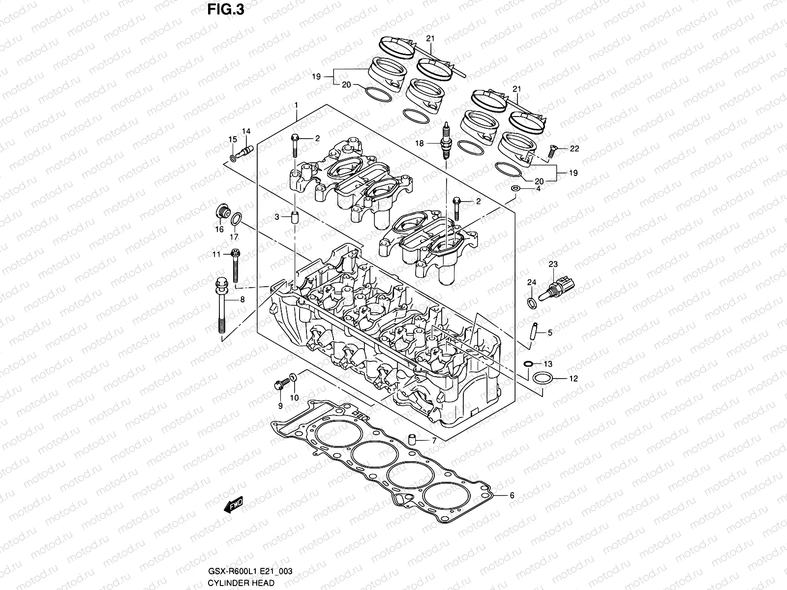
3 - CYLINDER HEAD

3 - CYLINDER HEAD
1
11100-37H00
Головка цилиндров
146 931 ₽
2
09103-06266
BOLT(6X40)
1 330 ₽
3
09206-08007
PIN(6.2X8X16)
1 520 ₽
4
09168-06018
Прокладка
119 ₽
5
11115-29G70
Направляющая клапана (OS:0.3)
1 785 ₽
6
11141-37H00
Прокладка головки цилиндров
5 984 ₽
7
04211-11169
PIN
113 ₽
8
11117-29G00
BOLT,CYLINDER HEAD
517 ₽
9
09103-06222
BOLT(6X12)
119 ₽
10
09168-06023
ПРОКЛАДКА
162 ₽
11
07120-0650A
Болт головки цилиндра
113 ₽
12
11179-81402
Кольцо уплотнительное
194 ₽
13
09280-11005
Кольцо цилиндра
258 ₽
14
09493-80005
JET(8)
1 131 ₽
15
09280-04004
O RING(D:1.2,ID:4.0)
194 ₽
16
09248-16012
ШЛАНГ
289 ₽
17
09168-16009
Прокладка
162 ₽
18
09482-00560
PLUG,SPARK(CR10EIA-9)
2 890 ₽
19
13101-14J01
Pipe Assy,intake
3 363 ₽
20
09280-42003
КОЛЬЦО УПЛОТНИТЕЛЬНОЕ
355 ₽
21
13826-02H12
CLAMP,INTAKE PIPE
1 611 ₽
22
09120-06007-A05
Болт
338 ₽
23
13650-49X00
SENSOR,TEMP
3 378 ₽
24
09168-12017
ПРОКЛАДКА РЕДУКТОРА
101 ₽

Узлы для