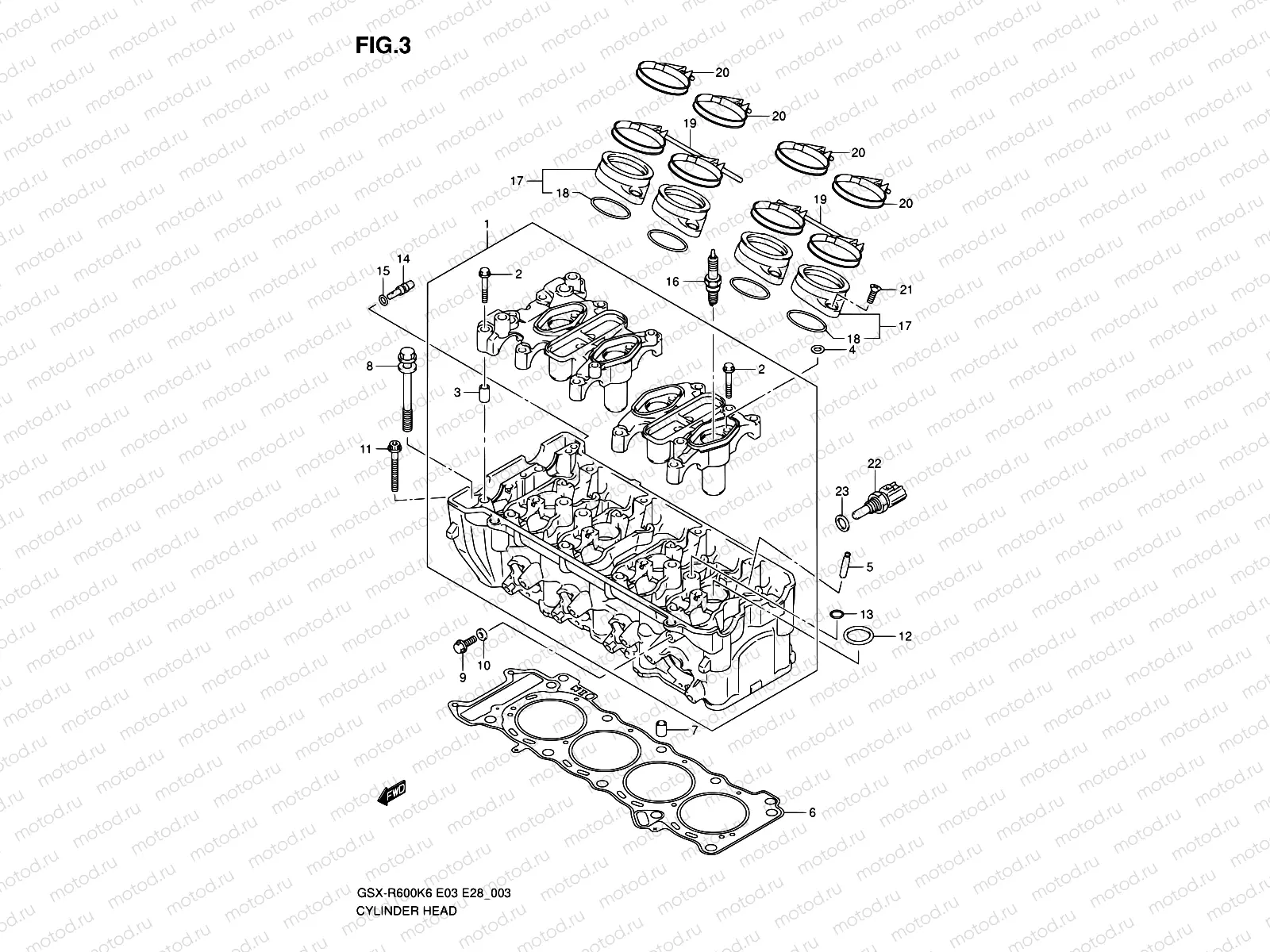
3 - CYLINDER HEAD

3 - CYLINDER HEAD
1
11100-01H00
Головка цилиндров
194 446 ₽
2
09103-06266
BOLT(6X40)
1 330 ₽
3
09206-08007
PIN(6.2X8X16)
1 520 ₽
4
09168-06018
Прокладка
119 ₽
5
11115-29G70
Направляющая клапана (OS:0.3)
1 785 ₽
6
11141-01H00
Прокладка головки цилиндров
12 342 ₽
7
04211-11169
PIN
113 ₽
8
11117-29G00
BOLT,CYLINDER HEAD
517 ₽
9
09103-06222
BOLT(6X12)
119 ₽
10
09168-06023
ПРОКЛАДКА
162 ₽
11
07120-0650A
Болт головки цилиндра
113 ₽
12
11179-81402
Кольцо уплотнительное
194 ₽
13
09280-11005
Кольцо цилиндра
258 ₽
14
09493-80005
JET(8)
1 131 ₽
15
09280-04004
O RING(D:1.2,ID:4.0)
194 ₽
17
13101-01H01
Pipe Assy,intake
8 211 ₽
18
09280-42003
КОЛЬЦО УПЛОТНИТЕЛЬНОЕ
355 ₽
19
13170-01H00
CLAMP,INTAKE PIPE
1 975 ₽
21
09120-06007-A05
Болт
338 ₽
22
13650-10G00
Датчик температуры воды
2 890 ₽
23
09168-12017
ПРОКЛАДКА РЕДУКТОРА
101 ₽

Узлы для