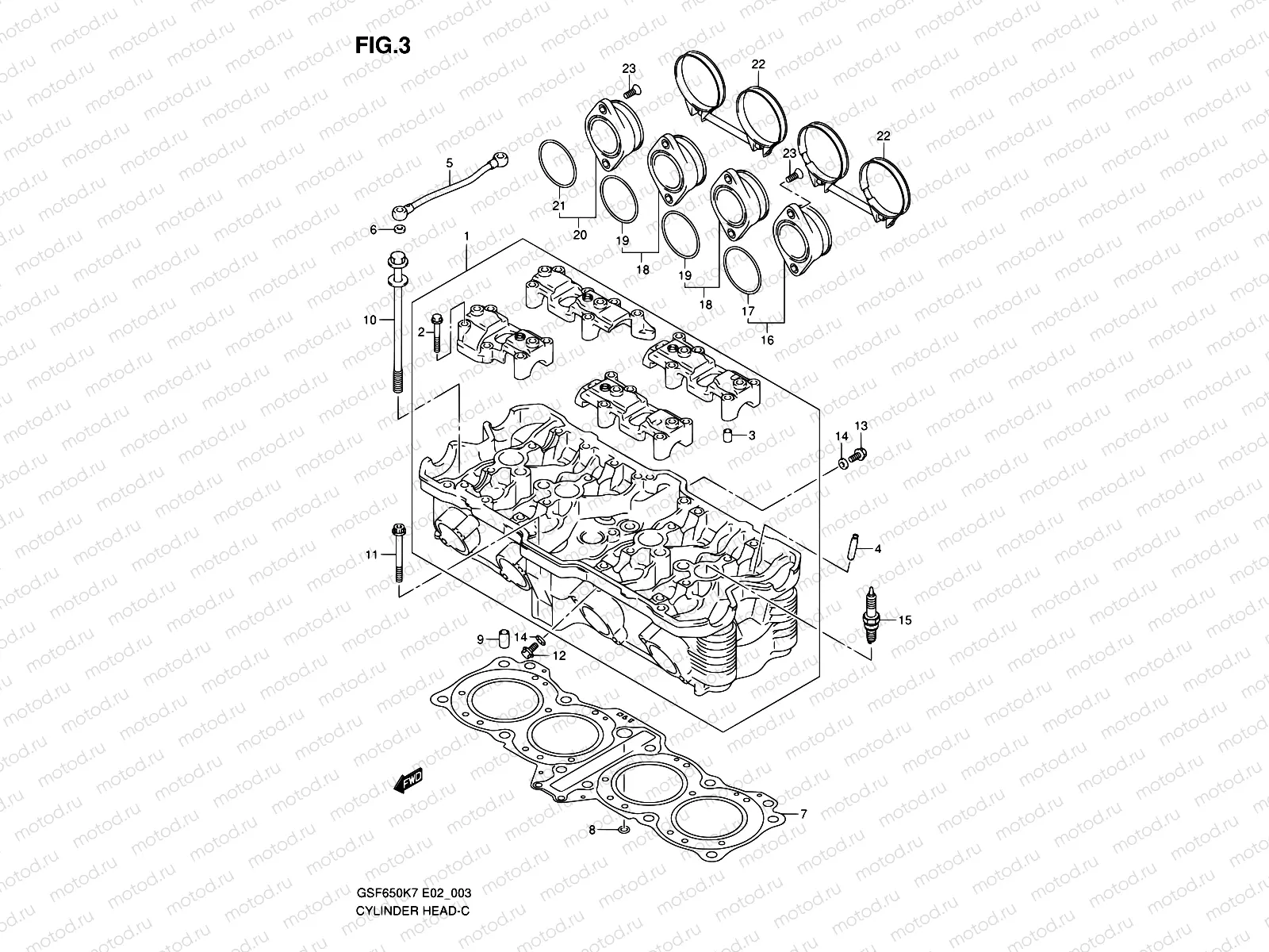
3 - CYLINDER HEAD

3 - CYLINDER HEAD
1
11100-17H00
Cylinder head
Цена по
запросу
2
09103-06293
BOLT(6X45)
1 520 ₽
3
09206-08001
Стопор
170 ₽
4
11115-17E70
Направляющая клапана
2 268 ₽
5
11131-18H00
PIPE,CYLINDER HEAD OIL
3 773 ₽
6
08322-0106B
Шайба
81 ₽
7
11141-17H01
Прокладка головки цилиндров
14 228 ₽
8
11143-32F00
O RING,HEAD GASKET
371 ₽
9
04211-11169
PIN
113 ₽
10
11117-18H00
BOLT,CYLINDER HEAD(L:175)
1 153 ₽
11
07120-0665B
Болт
2 270 ₽
12
01550-0612A
БОЛТ КУЗОВНОЙ, МЕТАЛЛ
81 ₽
13
07120-0612B
БОЛТ
184 ₽
14
09168-06023
ПРОКЛАДКА
162 ₽
16
13101-17H00
PIPE ASSY,INTAKE NO.1
3 265 ₽
17
09280-42003
КОЛЬЦО УПЛОТНИТЕЛЬНОЕ
355 ₽
18
13102-17H00
PIPE ASSY,INTAKE NO.2
3 265 ₽
19
09280-42003
КОЛЬЦО УПЛОТНИТЕЛЬНОЕ
355 ₽
20
13104-17H00
PIPE ASSY,INTAKE NO.4
3 265 ₽
21
09280-42003
КОЛЬЦО УПЛОТНИТЕЛЬНОЕ
355 ₽
22
13170-18H10
CLAMP,INTAKE PIPE
1 822 ₽
23
02122-0616B
Болт
85 ₽

Узлы для