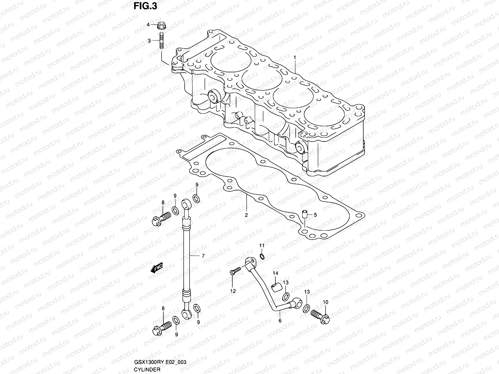
ЦИЛИНДР для GSX1300R K2 Hayabusa SUZUKI (VIN: JS1A1111, JS1GW71A)

3 - CYLINDER
1
11210-24F00-0F0
Цилиндр
155 703 ₽
2
11241-15H00
Прокладка
3 795 ₽
3
01421-06257
Болт заклепка
1 520 ₽
4
08319-31067
Гайка
153 ₽
5
113 ₽
6
11280-24F00
PIPE,CRANKCASE OIL
3 636 ₽
7
11282-24F00
Шланг масляный
6 056 ₽
8
09360-10062
Болт соединяющий
469 ₽
9
09168-10007
Прокладка
170 ₽
10
09360-14012
БОЛТ
731 ₽
11
09280-12012
КОЛЬЦО УПЛОТНИТЕЛЬНОЕ
391 ₽
12
09106-06073
БОЛТ
170 ₽
13
09168-14004
Прокладка
129 ₽
14
11283-24F01
Cushion,crankca
Цена по
запросу

Узлы для