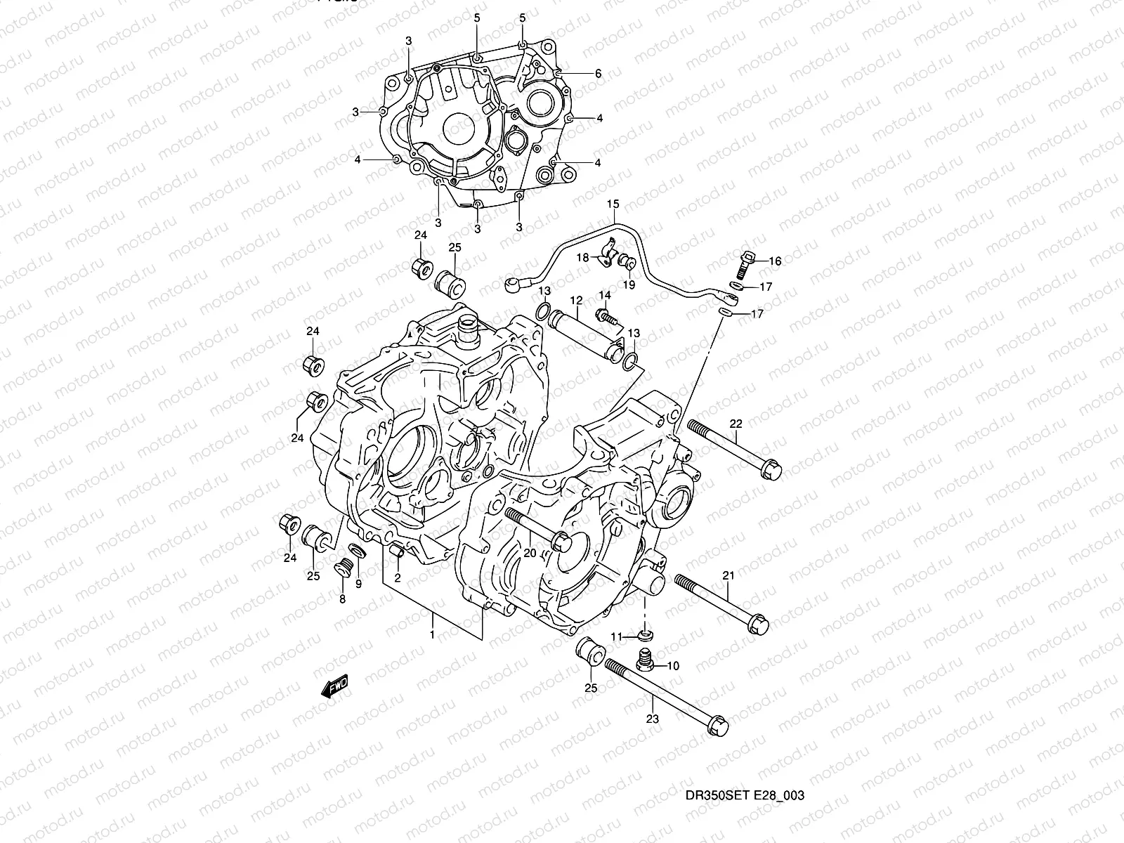
3 - CRANKCASE (MODEL L/M/N/P)

3 - CRANKCASE (MODEL L/M/N/P)
1
11301-14883
Crankcase set
Цена по
запросу
2
04211-09149
ШТИФТ
97 ₽
3
01547-06457
Болт
97 ₽
4
01547-06507
Болт крышки головки цилиндров №2
97 ₽
5
01547-06607
Болт
1 640 ₽
6
01547-06707
Болт
1 640 ₽
7
09280-12009
Кольцо уплотнительное
221 ₽
8
09248-14011
PLUG
226 ₽
9
09168-14004
Прокладка
129 ₽
10
01500-1220B
Болт
2 030 ₽
11
09168-12002
Прокладка
81 ₽
12
11450-14D01
PIPE,T/M OIL INNER
1 200 ₽
13
09280-16005
КОЛЬЦО УПЛОТНИТЕЛЬНОЕ
258 ₽
14
01550-06207
БОЛТ
85 ₽
15
11280-14D02
PIPE,T/M OIL OUTER
4 379 ₽
16
09360-08011
Болт соединяющий
2 390 ₽
17
09168-08016
Прокладка
129 ₽
18
11290-14D00
Clamp, oil pipe
Цена по
запросу
19
09320-06019
Cushion
Цена по
запросу
20
09103-10083
Болт 10X85
5 360 ₽
21
09103-10242
BOLT(10X101.5)
4 500 ₽
22
09103-10063
BOLT(10X115)
4 220 ₽
23
09103-10241
BOLT(10X143)
4 850 ₽
24
09159-10115
Гайка
289 ₽
25
11611-14D00
SPACER,ENGINE MOUNTING
1 122 ₽

Узлы для