3 - CRANKCASE

3 - CRANKCASE
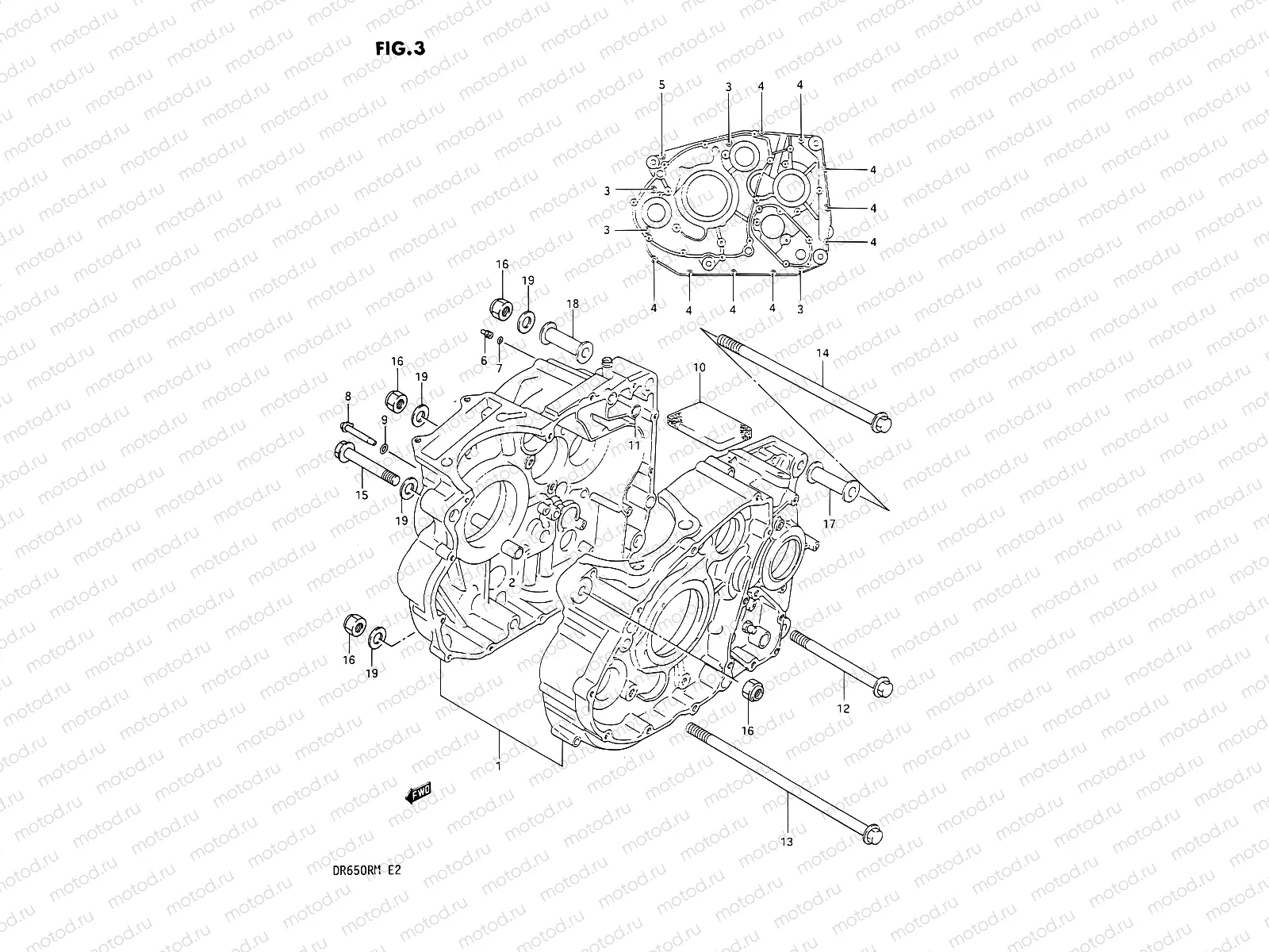
1
11301-12832
Цена по
запросу
2
04211-13189
ШТИФТ
129 ₽
3
01547-0660B
Болт
1 920 ₽
4
01547-0640A
БОЛТ
97 ₽
5
01547-06307
Болт
102 ₽
6
09493-24012
JET(12)
931 ₽
7
09280-04004
O RING(D:1.2,ID:4.0)
194 ₽
8
11390-12D01
Pipe,pistoncool
Цена по
запросу
9
09280-08012
Кольцо D:1.9 ID
129 ₽
10
11328-14A03
Separator, oil breather
Цена по
запросу
11
09280-09005
КОЛЬЦО УПЛОТНИТЕЛЬНОЕ (D:1.9,ID:8.6)
170 ₽
12
09103-10237
BOLT(10X130)
469 ₽
13
09103-10238-XC0
BOLT(10X230)
12 820 ₽
14
09103-10239
BOLT(10X235)
1 001 ₽
15
09103-10240
BOLT(10X80)
4 770 ₽
16
09159-10115
Гайка
289 ₽
17
11610-14A00
SPACER,ENG MTG(L:55)
813 ₽
18
11610-45410
SPACER,ENGINE MOUNT(L:65)
867 ₽
19
08322-0110B
Шайба
85 ₽

Узлы для