2A - CYLINDER HEAD (MODEL K1/K2)

2A - CYLINDER HEAD (MODEL K1/K2)
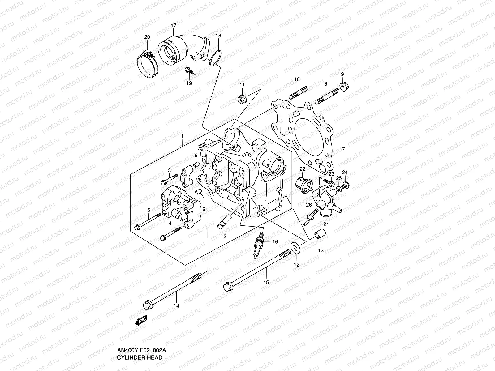
1
11100-15F41
Cylinder head
Цена по
запросу
2
11115-14D71
Направляющая клапана
1 785 ₽
3
09103-06026
BOLT(6X39)
101 ₽
4
09103-06219
BOLT(6X45)
1 720 ₽
5
09103-06220
BOLT(6X60)
1 370 ₽
6
09206-08001
Стопор
170 ₽
7
11141-15F00
Прокладка головки цилиндра
3 795 ₽
8
01421-08507
Vis
Цена по
запросу
9
08316-1008B
Гайка
81 ₽
10
01421-06257
Болт заклепка
1 520 ₽
11
08319-31067
Гайка
153 ₽
12
09168-10017
GASKET(10.5X22X2)
187 ₽
13
04211-13189
ШТИФТ
129 ₽
14
09103-10178
BOLT(10X180)
872 ₽
15
09103-10223
BOLT(10X155)
1 357 ₽
17
13110-15F01
Pipe d’admission
Цена по
запросу
18
09280-40020
КОЛЬЦО УПЛОТНИТЕЛЬНОЕ
533 ₽
19
09119-06092
BOLT(6X16)
1 330 ₽
20
13170-15F10
CLAMP,INTAKE PIPE
375 ₽
21
17661-14F00
Крышка термостата
4 418 ₽
22
17670-08D11
Thermostat,water
4 066 ₽
23
07130-0620B
БОЛТ
97 ₽
24
17568-50F00
Болт крышки термостата
221 ₽
25
09168-06026
ШАЙБА ФОРСУНКИ
97 ₽
26
34850-14F00
GAUGE ASSY,WATER TEMP
2 504 ₽

Узлы для