28 - ELECTRICAL

28 - ELECTRICAL
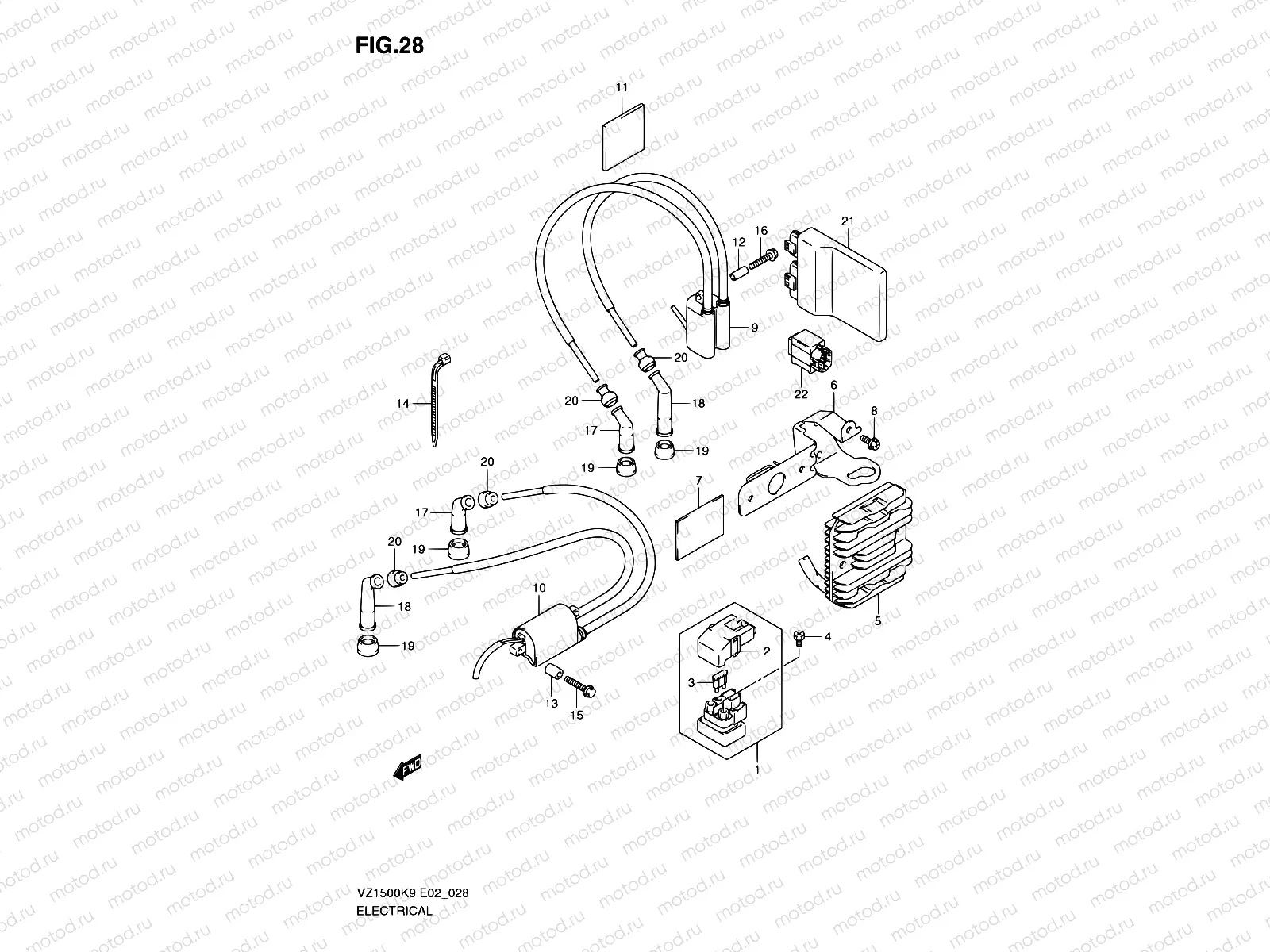
1
31800-06G02
Relay assy,star
Цена по
запросу
2
31861-47E00
Крышка
841 ₽
3
09481-30101
Предохранитель
129 ₽
4
09128-06013
SCREW(6X8)
740 ₽
5
32800-10G20
RECTIFIER ASSY
46 189 ₽
6
32830-40H00
Bracket,rect ft
Цена по
запросу
7
33652-07D00
КОЖУХ
299 ₽
8
02162-0616B
Болт
85 ₽
9
33410-40H01
Bobine d'allumage
Цена по
запросу
10
33420-40H00
Coil assy,ignit
Цена по
запросу
11
33442-41F00
CUSHION,HIGH TENSION CORD
258 ₽
12
09180-06178
SPACER(6.4X10X22)
129 ₽
13
09180-06198
SPACER(6.2X12X16)
2 150 ₽
14
09407-18402
Струбцина (L:165)
211 ₽
15
01547-0635A
БОЛТ
97 ₽
16
01547-0640A
БОЛТ
97 ₽
17
33510-38B00
Свечной колпачок
2 975 ₽
18
33510-45010
Колпачок свечи зажигания
2 988 ₽
19
33541-47D00
Уплотнение
452 ₽
20
33542-38B00
Уплотнение
162 ₽
21
32920-40H00
CONTROL UNIT,FI
129 387 ₽
21
32920-40H40
Control unit, fi
Цена по
запросу
22
33960-06G10
SENSOR ASSY,FUEL CUT
6 379 ₽

Узлы для